Мы на связи пн-пт: 10:00 - 18:00

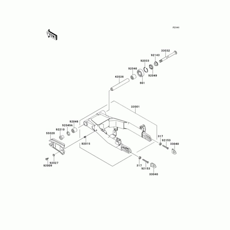
Схема узла: Задний рычаг (Маятник) для Kawasaki EJ800 W800

Производители Kawasaki
Код Товара: EJ800AEF
5966грн.
Под заказ
Детализация узла Задний рычаг (Маятник) для Kawasaki EJ800 W800.

Детали поставляются под заказ в соответствии с условиями поставки оригинальных запчастей.

Все детали оригальные, их совместимость гарантирована производителем при условии правильной идентификации модели, года выпуска и отсутсвия предварительной модификации узла владельцем мотоцикла.

Написать отзыв
Примечание: HTML разметка не поддерживается! Используйте обычный текст.

Нет отзывов об этом товаре.

Модель Наименование Сумма Кол-во Доступность
317 317BA0800 NUT-HEX-SMALL,8MM 61грн.
Под заказ
33001 33001-0566 ARM-COMP-SWING 20379грн.
Под заказ
33032 33032-1192 Вал 1446грн.
Под заказ
33040 33040-0076 ADJUSTER-CHAIN 365грн.
Под заказ
42036 42036-1352 SLEEVE,SWING ARM,L=18 1264грн.
Под заказ
55020 55020-1686 Успокоитель цепи 997грн.
Под заказ
601 601B6203 BEARING BALL #6203 306грн.
Под заказ
601 601A6203 BEARING BALL #6203 307грн.
Под заказ
92009 92009-3805 Винт 6X18 101грн.
Под заказ
92009 92009-1663 Болт 0грн.
Недоступно к заказу
92015 92015-1791 Гайка,6MM 104грн.
Под заказ
92027 92027-1965 COLLAR 140грн.
Под заказ
92033 92033-1040 RING, SNAP,43.5M/M 119грн.
Под заказ
92046 92046-1035 Подшипник игольчатый 753грн.
Под заказ
92049 92049-1060 SEAL-OIL 194грн.
Под заказ
92049 92049-1047 Сальник 339грн.
Под заказ
92143 92143-1188 COLLAR,RR AXLE,L=14 425грн.
Под заказ
92153 92153-1407 BOLT,8X55 61грн.
Под заказ
92210 92210-1077 Гайка,16MM 371грн.
Под заказ