Мы на связи пн-пт: 10:00 - 18:00

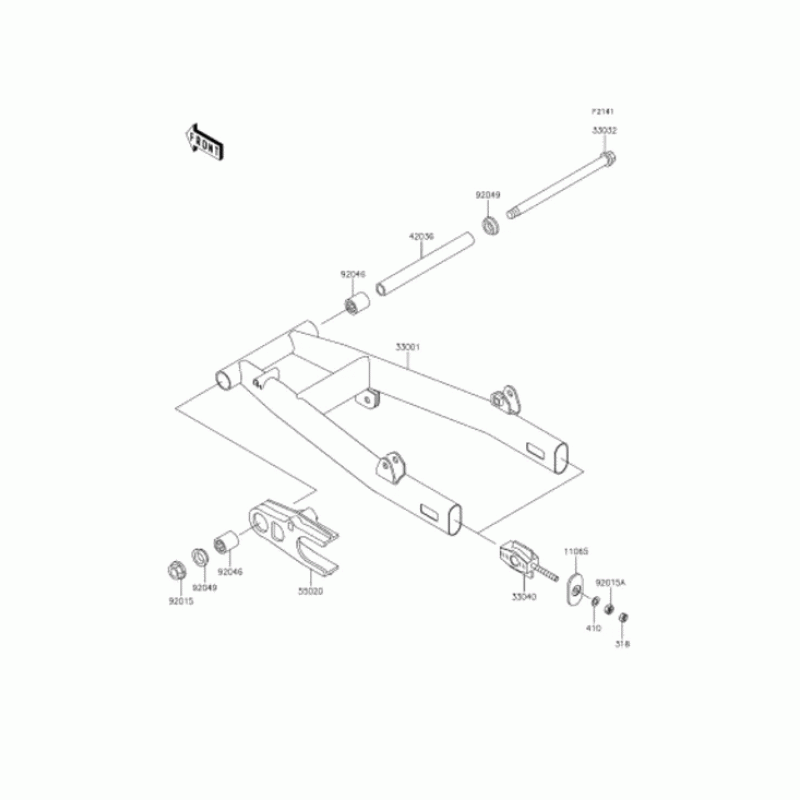
Схема узла: Задний рычаг (Маятник) для Kawasaki BJ250 Estrella

Производители Kawasaki
Код Товара: BJ250LEF
10375грн.
Под заказ
Детализация узла Задний рычаг (Маятник) для Kawasaki BJ250 Estrella.

Детали поставляются под заказ в соответствии с условиями поставки оригинальных запчастей.

Все детали оригальные, их совместимость гарантирована производителем при условии правильной идентификации модели, года выпуска и отсутсвия предварительной модификации узла владельцем мотоцикла.

Написать отзыв
Примечание: HTML разметка не поддерживается! Используйте обычный текст.

Нет отзывов об этом товаре.

Модель Наименование Сумма Кол-во Доступность
11065 11065-0840 キヤツプ 520грн.
Под заказ
11065 11012-1819 Крышка регулятора цепи 565грн.
Под заказ
318 318AB0800 Гайка 61грн.
Под заказ
33001 33001-0621 ア-ムコンプ 12479грн.
Под заказ
33032 33032-1108 Вал 1531грн.
Под заказ
33040 33040-0049 アジヤスタ 773грн.
Под заказ
410 410AB0800 WASHER,PLAIN,8MM 101грн.
Под заказ
42036 42036-1295 SLEEVE,SWING ARM,L=20 1064грн.
Под заказ
55020 55020-0255 Успокоитель цепи 1312грн.
Под заказ
92015 92015-1407 Гайка 1023грн.
В наличии
92015 92015-1959 Гайка 129грн.
Под заказ
92046 92046-1174 Подшипник 944грн.
Под заказ
92049 92049-1289 Сальник 194грн.
Под заказ