Мы на связи пн-пт: 10:00 - 18:00

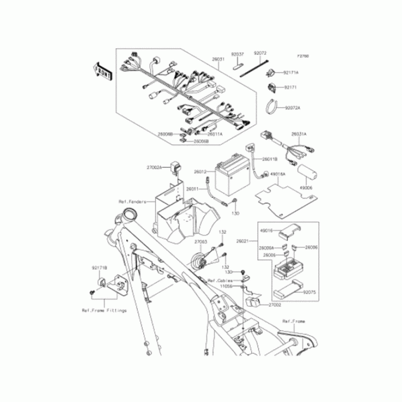
Схема узла: Электрооборудование для Kawasaki BJ250 Estrella

Производители Kawasaki
Код Товара: BJ250LEF
3331грн.
Под заказ
Детализация узла Электрооборудование для Kawasaki BJ250 Estrella.

Детали поставляются под заказ в соответствии с условиями поставки оригинальных запчастей.

Все детали оригальные, их совместимость гарантирована производителем при условии правильной идентификации модели, года выпуска и отсутсвия предварительной модификации узла владельцем мотоцикла.

Написать отзыв
Примечание: HTML разметка не поддерживается! Используйте обычный текст.

Нет отзывов об этом товаре.

Модель Наименование Сумма Кол-во Доступность
11056 11056-3904 ブラケット 105грн.
Под заказ
130 130BA0610 BOLT-FLANGED,6X10 58грн.
Под заказ
132 132BB0612 BOLT-FLANGED-SMALL,6X 61грн.
Под заказ
26006 26006-1061 FUSE,BLADE,15A,BLUEX3 129грн.
Под заказ
26006 26006-1007 FUSE,BLADE,10A,RED 115грн.
Под заказ
26006 26006-1006 Ограничитель,30A-G 115грн.
Под заказ
26006 26006-1068 FUSE,BLADE,10A,RED 136грн.
Под заказ
26006 26006-1067 FUSE,BLADE,30A,GREEN 0грн.
Недоступно к заказу
26006 26006-1069 FUSE,BLADE,15A,BLUEX3 156грн.
Под заказ
26011 26011-1270 Проводка 701грн.
Под заказ
26011 26011-0169 Проводка 576грн.
Под заказ
26011 26011-0741 WIRE-LEAD 290грн.
Под заказ
26012 XYYTX9BS Ytx9-bs 10873грн.
Под заказ
26012 26012-0090 バツテリ,ytx9-bs,12v 8ah 10227грн.
Под заказ
26021 26021-0056 ジヤンクシヨンボツクス 3715грн.
Под заказ
26021 26021-0054 ジヤンクシヨンボツクス 4007грн.
Под заказ
26031 26031-1559 ハ-ネス 14711грн.
Под заказ
26031 26031-1560 ハ-ネス 1320грн.
Под заказ
27002 27002-1101 Реле 1773грн.
Под заказ
27002 27002-1086 Реле 940грн.
Под заказ
27003 27003-0079 ホ-ン 1564грн.
Под заказ
49006 49006-1278 BOOT,HARNESS 253грн.
Под заказ
49016 49016-0617 カバ- 314грн.
Под заказ
49016 49016-0626 カバ- 487грн.
Под заказ
92037 92037-1539 Струбцина проводки 112грн.
Под заказ
92072 92072-1237 Лента L=250 215грн.
Под заказ
92072 92072-1293 BAND 210грн.
Под заказ
92075 92075-1688 DAMPER,JUNCTION BOX 306грн.
Под заказ
92171 92171-1604 Струбцина 87грн.
Под заказ
92171 92171-0068 Струбцина DIA=20 72грн.
Под заказ
92171 92171-0081 CLAMP 94грн.
Под заказ