Мы на связи пн-пт: 10:00 - 18:00

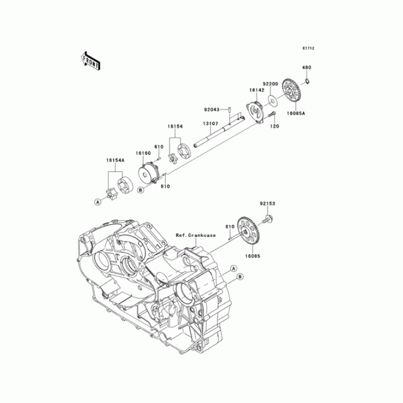
Схема узла: Масляный насос для Kawasaki VN1700 Vulcan 1700 Nomad

Производители Kawasaki
Код Товара: VN1700CDF
10078грн.
Под заказ
Детализация узла Масляный насос для Kawasaki VN1700 Vulcan 1700 Nomad.

Детали поставляются под заказ в соответствии с условиями поставки оригинальных запчастей.

Все детали оригальные, их совместимость гарантирована производителем при условии правильной идентификации модели, года выпуска и отсутсвия предварительной модификации узла владельцем мотоцикла.

Написать отзыв
Примечание: HTML разметка не поддерживается! Используйте обычный текст.

Нет отзывов об этом товаре.

Модель Наименование Сумма Кол-во Доступность
120 120CA0618 BOLT,ALLEN,6X18 65грн.
Под заказ
13107 13107-0212 Вал масляной помпы 1344грн.
Под заказ
16085 16085-0120 GEAR,DRIVEN,37T 1684грн.
Под заказ
16085 16085-0119 GEAR,DRIVE,45T 2356грн.
Под заказ
16142 16142-0055 Крышка насоса 1150грн.
Под заказ
16154 16154-0079 Ротор-помпа 1872грн.
Под заказ
16154 16154-0085 Ротор-помпа 1872грн.
Под заказ
16160 16160-0157 Корпус масляного насоса 2236грн.
Под заказ
480 480J1300 CIRCLIP,13MM 65грн.
Под заказ
610 610A0412 Дюбель 58грн.
Под заказ
92043 92043-1444 Штифт,17.9X5.0 104грн.
Под заказ
92153 92153-0549 BOLT,8X23 178грн.
Под заказ
92200 92200-0499 WASHER,13.2X40X0.5 83грн.
Под заказ