Мы на связи пн-пт: 10:00 - 18:00

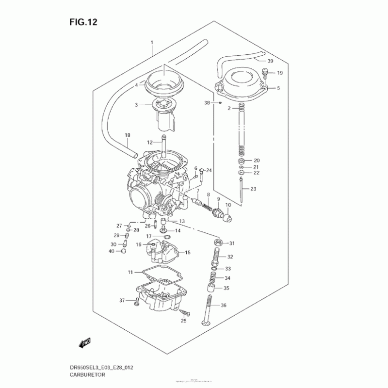
Схема узла: Carburetor (Dr650Sel3 E28) для Suzuki DR650 DR650SE

Производители Suzuki
Код Товара: DR650SEL3
1631грн.
Под заказ
Детализация узла Carburetor (Dr650Sel3 E28) для Suzuki DR650 DR650SE.

Детали поставляются под заказ в соответствии с условиями поставки оригинальных запчастей.

Все детали оригальные, их совместимость гарантирована производителем при условии правильной идентификации модели, года выпуска и отсутсвия предварительной модификации узла владельцем мотоцикла.

Написать отзыв
Примечание: HTML разметка не поддерживается! Используйте обычный текст.

Нет отзывов об этом товаре.

Модель Наименование Сумма Кол-во Доступность
1 13200-32E12 Карбюратор 0грн.
Недоступно к заказу
10 13681-04011 CAP 0грн.
Недоступно к заказу
10 13681-04010 CAP 0грн.
Недоступно к заказу
11 13258-44B00 Прокладка крышки поплавковой камеры 0грн.
Недоступно к заказу
12 09494-00884 Жиклер игольчатый 655грн.
Под заказ
13 13331-07D00 RING 0грн.
Недоступно к заказу
14 09491-28010 Жиклер главный (140) 194грн.
Под заказ
15 13250-12EH0 FLOAT/NEEDLE VALVE ASSY 0грн.
Недоступно к заказу
16 13374-46710 КОЛЬЦО УПЛОТНИТЕЛЬНОЕ 98грн.
Под заказ
17 13374-35C00 КОЛЬЦО УПЛОТНИТЕЛЬНОЕ 98грн.
Под заказ
18 13683-32E00 HOSE(6.5X10.5X275) 0грн.
Недоступно к заказу
19 02112-7516B Винт 61грн.
Под заказ
2 13417-17D00 Пружина 0грн.
Недоступно к заказу
20 13331-12D00 RING 0грн.
Недоступно к заказу
21 13394-31210 CLIP,NEEDLE 0грн.
Недоступно к заказу
22 13387-07D00 RING 0грн.
Недоступно к заказу
23 13383-32E10 Жиклер 0грн.
Недоступно к заказу
24 13236-12C00 FILTER 0грн.
Недоступно к заказу
25 13247-02340 Заглушка дренажная 0грн.
Недоступно к заказу
26 09492-42010 Жиклер пропускной (42.5) 224грн.
Под заказ
27 13295-29901 O Ring,pilot Air Screw 0грн.
Недоступно к заказу
27 13295-29900 КОЛЬЦО УПЛОТНИТЕЛЬНОЕ 0грн.
Недоступно к заказу
28 13291-29900 Шайба 0грн.
Недоступно к заказу
29 13268-47070 Пружина 0грн.
Недоступно к заказу
3 13501-32E00 VALVE,PISTON 0грн.
Недоступно к заказу
30 13279-47070 Винт топливный 264грн.
Под заказ
31 08310-00087 Гайка 8MM 56грн.
Под заказ
32 13267-31D00 ADJUSTER 655грн.
Под заказ
33 13615-43010 Шайба 0грн.
Недоступно к заказу
34 13271-33C00 Пружина 0грн.
Недоступно к заказу
35 13432-95210 RING 158грн.
Под заказ
36 13267-31D10 ADJUSTER 0грн.
Недоступно к заказу
37 13601-05148-XC0 Винт,5X14 0грн.
Недоступно к заказу
38 13278-02340 O RING 0грн.
Недоступно к заказу
39 09355-45855-600 Шланг 4.5 X 8.5 328грн.
Под заказ
39 09355-45001-600 Hose(4.5X8.5X600) 0грн.
Недоступно к заказу
4 13507-07D01 DIAPHRAGM 0грн.
Недоступно к заказу
40 13281-05A00 PLUG 0грн.
Недоступно к заказу
5 13502-41C00 COVER,DIAPHRAGM 835грн.
Под заказ
6 09493-20007 Жиклер (1.0) 595грн.
Под заказ
7 13411-12D00 PLUNGER 0грн.
Недоступно к заказу
8 13417-22010 Пружина 0грн.
Недоступно к заказу
9 13418-43410 HOLDER,GUIDE 0грн.
Недоступно к заказу