Мы на связи пн-пт: 10:00 - 18:00

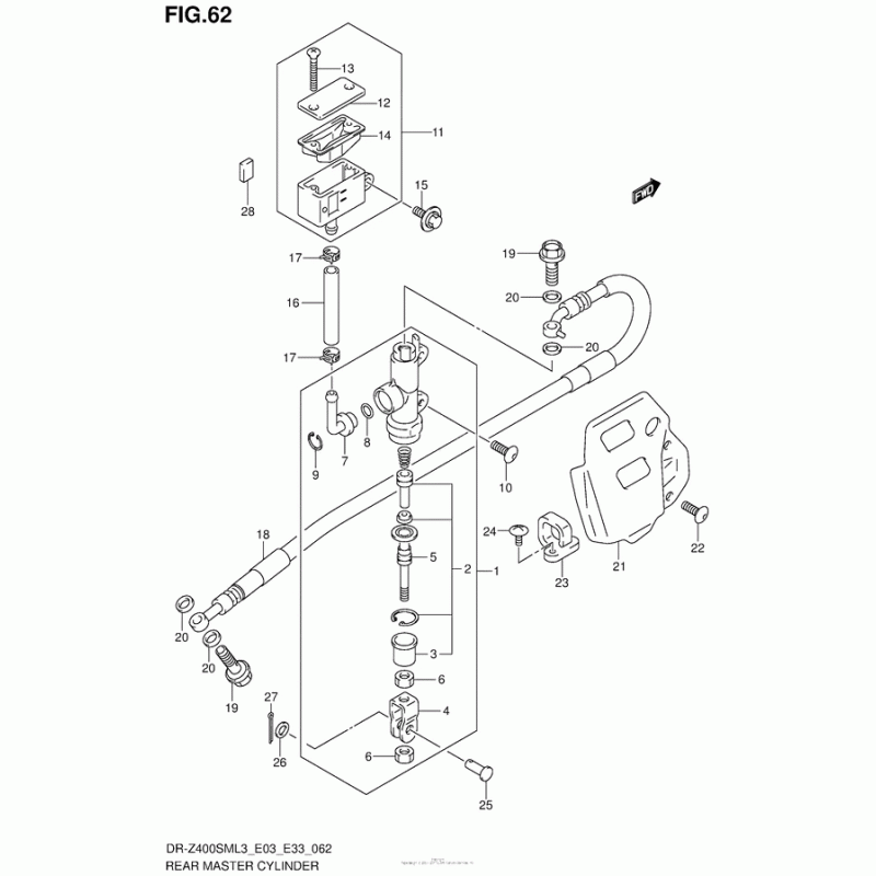
Схема узла: Задний тормозной цилиндр для Suzuki DR-Z400 DR-Z400SM

Производители Suzuki
Код Товара: DR-Z400SML3
5377грн.
Под заказ
Детализация узла Задний тормозной цилиндр для Suzuki DR-Z400 DR-Z400SM.

Детали поставляются под заказ в соответствии с условиями поставки оригинальных запчастей.

Все детали оригальные, их совместимость гарантирована производителем при условии правильной идентификации модели, года выпуска и отсутсвия предварительной модификации узла владельцем мотоцикла.

Написать отзыв
Примечание: HTML разметка не поддерживается! Используйте обычный текст.

Нет отзывов об этом товаре.

Модель Наименование Сумма Кол-во Доступность
1 69600-29F00 CYLINDER ASSY,RR MASTER 5446грн.
Под заказ
10 09139-06237 Screw(6X16) 0грн.
Недоступно к заказу
10 09139-06067 Винт (6X16) 67грн.
Под заказ
11 69740-44E01 TANK ASSY,RESERVOIR 1119грн.
Под заказ
12 69669-44E00 CAP 397грн.
Под заказ
13 69689-36E00 Болт 75грн.
Под заказ
14 59667-14500 Диафрагма 240грн.
Под заказ
15 09116-06170 Болт M6X16 57грн.
Под заказ
16 59731-42E00 HOSE,FR RESERVOIR TANK 0грн.
Недоступно к заказу
17 69735-00B20 CLAMP,RESERVOIR HOSE 81грн.
Под заказ
18 69480-29F12 Hose Comp,rear Brake 0грн.
Недоступно к заказу
18 69480-29F11 HOSE,RR BRAKE 1804грн.
Под заказ
19 09360-10062 Болт соединяющий 148грн.
Под заказ
2 69600-04820 PISTON/CUP SET 913грн.
Под заказ
20 09161-10009 Шайба 62грн.
Под заказ
21 43571-36E20 GUARD,RR MASTER CYLINDER 567грн.
Под заказ
23 61196-27C30 GUIDE,RR BRAKE 102грн.
Под заказ
24 02142-0510B Болт 56грн.
Под заказ
25 09200-08048 PIN(8X20) 64грн.
Под заказ
26 09160-08090 Шайба 65грн.
Под заказ
27 04111-2015A Штифт 57грн.
Под заказ
28 69749-29F00 CUSHION,RR RESERVOIR TANK 75грн.
Под заказ
3 69691-00A00 Ботинок 99грн.
Под заказ
4 69692-29F00 Ботинок 278грн.
Под заказ
5 69670-36E00 Толкатель 566грн.
Под заказ
6 69693-05A00 Гайка 75грн.
Под заказ
7 69672-00B20 Коннектор 247грн.
Под заказ
8 69686-34200 Кольцо уплотнительное 75грн.
Под заказ
9 69674-00B20 CIRCLIP 75грн.
Под заказ