Warning: unlink(/home/allmoto/web/allmoto.parts/storage/cache/cache.search.3.0.1.9054af5424719907fb6719a276f3efb9.1772426156): No such file or directory in /home/allmoto/web/allmoto.parts/public_html/system/library/cache/file.php on line 17 Схема узла: Топливный кран для Suzuki DR-Z400 DR-Z400SM
Мы на связи пн-пт: 10:00 - 18:00

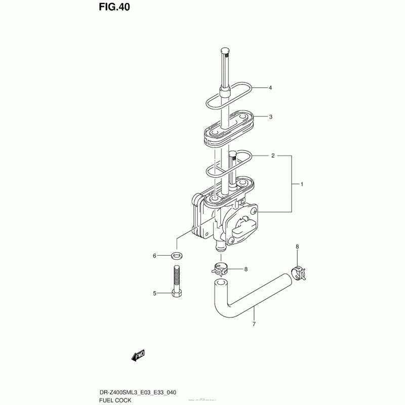
Схема узла: Топливный кран для Suzuki DR-Z400 DR-Z400SM

Производители Suzuki
Код Товара: DR-Z400SML3
322грн.
Под заказ
Детализация узла Топливный кран для Suzuki DR-Z400 DR-Z400SM.

Детали поставляются под заказ в соответствии с условиями поставки оригинальных запчастей.

Все детали оригальные, их совместимость гарантирована производителем при условии правильной идентификации модели, года выпуска и отсутсвия предварительной модификации узла владельцем мотоцикла.

Написать отзыв
Примечание: HTML разметка не поддерживается! Используйте обычный текст.

Нет отзывов об этом товаре.

Модель Наименование Сумма Кол-во Доступность
1 44300-29F20 COCK ASSY,FUEL 0грн.
Недоступно к заказу
1 44300-29F21 Cock Assy,fuel 0грн.
Недоступно к заказу
2 44348-87420 Прокладка соединения 88грн.
Под заказ
2 44348-87421 Gasket,joint 88грн.
Под заказ
3 44365-29F00 Кольцо/шайба 327грн.
Под заказ
4 44366-14A01 Gasket,fuel Cock 0грн.
Недоступно к заказу
4 44366-14A00 Прокладка топливного подъемика 95грн.
Под заказ
5 09128-06010 Болт 61грн.
Под заказ
6 09168-06026 ШАЙБА ФОРСУНКИ 58грн.
Под заказ
7 44421-29F60 Hose,fuel 0грн.
Недоступно к заказу
7 44421-29F50 Шланг топливный 0грн.
Недоступно к заказу
8 09401-11415 CLIP 64грн.
Под заказ