Мы на связи пн-пт: 10:00 - 18:00

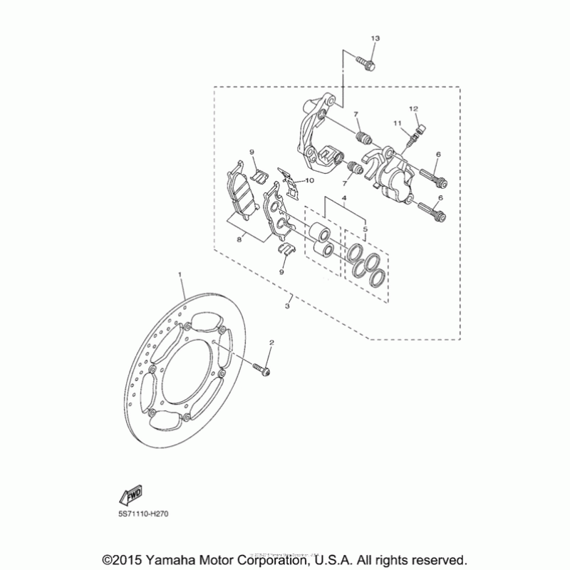
Схема узла: Передний тормоз Yamaha XVS950 V-Star

Производители Yamaha
Код Товара: XVS950 V-Star
11505грн.
Под заказ
Детализация узла Передний тормоз Yamaha XVS950 V-Star.

Детали поставляются под заказ в соответствии с условиями поставки оригинальных запчастей.

Все детали оригальные, их совместимость гарантирована производителем при условии правильной идентификации модели, года выпуска и отсутсвия предварительной модификации узла владельцем мотоцикла.

Написать отзыв
Примечание: HTML разметка не поддерживается! Используйте обычный текст.

Нет отзывов об этом товаре.

Модель Наименование Сумма Кол-во Доступность
1 3P6-2581T-01-00 Диск тормозной 7127грн.
Под заказ
10 3YX-25929-00-00 Скоба пружинная 599грн.
Под заказ
11 47X-25824-01-00 Штуцер 257грн.
Под заказ
12 1D7-25825-00-00 Колпачок штуцера 74грн.
Под заказ
13 901-05106-38-00 Болт 87грн.
Под заказ
2 901-11080-57-00 Болт 74грн.
Под заказ
2 90109-083G4-00 Болт 74грн.
Под заказ
3 5S7-2580T-00-00 Суппорт тормозной 11505грн.
Под заказ
4 3YX-W0057-00-00 Поршни суппорта, комплект 1429грн.
Под заказ
5 3JB-25803-00-00 Уплотнения, комплект 816грн.
Под заказ
5 3JB-W0047-00-00 Уплотнения, комплект 816грн.
Под заказ
6 5JW-25914-10-00 Палец 164грн.
Под заказ
7 4TT-25937-00-00 Уплотнение пальца 287грн.
Под заказ
8 5S7-W0045-00-00 Колодки тормозные 2404грн.
Под заказ
9 4BP-25919-00-00 Скоба колодки 532грн.
Под заказ