Мы на связи пн-пт: 10:00 - 18:00

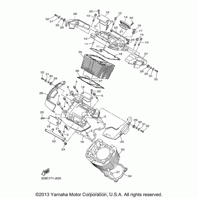
Схема узла: Цилиндр Yamaha XVS1300 V-Star

Производители Yamaha
Код Товара: XVS1300 V-Star
34906грн.
Под заказ
Детализация узла Цилиндр Yamaha XVS1300 V-Star.

Детали поставляются под заказ в соответствии с условиями поставки оригинальных запчастей.

Все детали оригальные, их совместимость гарантирована производителем при условии правильной идентификации модели, года выпуска и отсутсвия предварительной модификации узла владельцем мотоцикла.

Написать отзыв
Примечание: HTML разметка не поддерживается! Используйте обычный текст.

Нет отзывов об этом товаре.

Модель Наименование Сумма Кол-во Доступность
1 3D8-11191-00-00 Крышка передней головки 9992грн.
Под заказ
10 3D8-11192-00-00 Крышка задней головки 9992грн.
Под заказ
18 3D8-11193-00-00 Прокладка крышки головки 753грн.
Под заказ
19 27D-11186-00-00 Крышка 2 220грн.
Под заказ
2 91808-16023-00 Втулка центрующая 74грн.
Под заказ
20 913-14060-20-00 Болт 60грн.
Под заказ
20 91312-06020-00 Болт 64грн.
Под заказ
21 3D8-11196-00-00 Прокладка крышки головки 200грн.
Под заказ
22 3D8-1112F-01-00 Пластина 2 537грн.
Под заказ
23 3D8-1113F-01-00 Пластина 3 537грн.
Под заказ
24 90480-10334-00 Уплотнение 78грн.
Под заказ
25 3D8-1111M-00-00 Крышка 1 2249грн.
Под заказ
26 3D8-1111N-00-00 Крышка 2 2249грн.
Под заказ
27 3D8-1111P-00-00 Крышка 3 2154грн.
Под заказ
28 3D8-1111R-00-00 Крышка 4 2154грн.
Под заказ
29 90480-13022-00 Втулка демпфирующая 71грн.
Под заказ
3 90110-06269-00 Болт 78грн.
Под заказ
30 90387-06207-00 Втулка 70грн.
Под заказ
31 90201-06088-00 Шайба 78грн.
Под заказ
32 90111-06038-00 Болт 78грн.
Под заказ
33 3D8-11311-00-00 Цилиндр передний 34906грн.
Под заказ
34 3D8-11351-00-00 Прокладка цилиндра 658грн.
Под заказ
35 3D8-11321-01-00 Цилиндр задний 34906грн.
Под заказ
35 3D8-11321-00-00 Цилиндр задний 34906грн.
Под заказ
36 3D8-11352-00-00 Прокладка цилиндра 685грн.
Под заказ
37 99530-08016-00 Втулка 74грн.
Под заказ
4 90110-06268-00 Болт 78грн.
Под заказ
5 901-10061-66-00 Болт 71грн.
Под заказ
6 90110-06267-00 Болт 143грн.
Под заказ
7 95817-10090-00 Болт 105грн.
Под заказ
7 958-11100-90-00 Болт 105грн.
Под заказ
7 95812-10090-00 Болт 105грн.
Под заказ
8 90340-14117-00 Пробка 128грн.
Под заказ
9 93210-14369-00 Кольцо уплотнительное 78грн.
Под заказ