Мы на связи пн-пт: 10:00 - 18:00

Step (2) для Honda VT750 Shadow RS

Производители Honda
Код Товара: VT750 Shadow RS
2718грн.
Под заказ
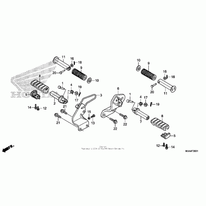
Детализация узла Step (2) для Honda VT750 Shadow RS.

Детали поставляются под заказ в соответствии с условиями поставки оригинальных запчастей.

Все детали оригальные, их совместимость гарантирована производителем при условии правильной идентификации модели, года выпуска и отсутсвия предварительной модификации узла владельцем мотоцикла.

Написать отзыв
Примечание: HTML разметка не поддерживается! Используйте обычный текст.

Нет отзывов об этом товаре.

Модель Наименование Сумма Кол-во Доступность
1 50603-033-010 Pin, step bar joint 111грн.
Под заказ
10 50712-413-000 Washer, pillion step 142грн.
Под заказ
11 50715-MGR-670 Bar, r. pillion step 605грн.
Под заказ
11 50715-MGR-305 Bar,p step(coo) 609грн.
Под заказ
12 92101-06012-0A Bolt 49грн.
Под заказ
13 92101-06018-0A Bolt, hex., 6x18 49грн.
Под заказ
14 92501-06012-0A CBOLT,CAP,6X12 61грн.
Под заказ
15 94002-060-000-S Гайка 49грн.
Под заказ
16 94101-06800 Шайба 47грн.
Под заказ
17 94101-08000 Шайба 47грн.
Под заказ
18 94201-16120 ШПЛИНТ 47грн.
Под заказ
19 94201-20150 ШПЛИНТ 47грн.
Под заказ
2 50612-MEG-305 Bar, r. step 657грн.
Под заказ
20 9501581000 ПАЛЕЦ 70грн.
Под заказ
21 95701-1002507 Bolt, flange, 10x25 33грн.
Под заказ
22 95701-1004007 Болт 56грн.
Под заказ
3 50615-MGR-670 Brkt, r. main step 2718грн.
Под заказ
4 50617-MB1-700 Spring, step return 127грн.
Под заказ
5 50619-MGR-670 Stopper, step rubber 398грн.
Под заказ
6 50625-MGR-670 Brkt, l. main step 2174грн.
Под заказ
7 50642-MEG-305 Подножка водительская левая 657грн.
Под заказ
8 50661-MEG-305 Накладка резиновая подножки 285грн.
Под заказ
9 50710-MFR-305 Rubber, pillion step 570грн.
Под заказ