Мы на связи пн-пт: 10:00 - 18:00

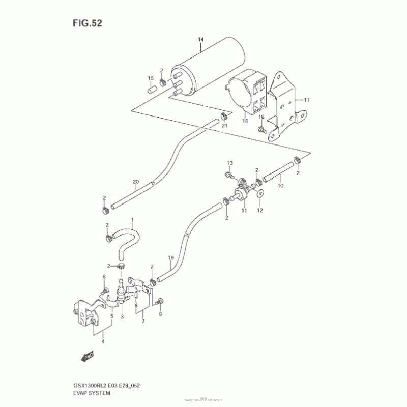
Схема узла: Система вентиляции бензобака (Gsx1300R L2 E33) для Suzuki GSX1300 Hayabusa

Производители Suzuki
Код Товара: GSX1300RL2
3195грн.
Под заказ
Детализация узла Система вентиляции бензобака (Gsx1300R L2 E33) для Suzuki GSX1300 Hayabusa.

Детали поставляются под заказ в соответствии с условиями поставки оригинальных запчастей.

Все детали оригальные, их совместимость гарантирована производителем при условии правильной идентификации модели, года выпуска и отсутсвия предварительной модификации узла владельцем мотоцикла.

Написать отзыв
Примечание: HTML разметка не поддерживается! Используйте обычный текст.

Нет отзывов об этом товаре.

Модель Наименование Сумма Кол-во Доступность
1 44434-15H00 HOSE,TANK & BREATHER VALVE 0грн.
Недоступно к заказу
10 44435-15H10 HOSE,BRTHR VALVE & 2 WAY 0грн.
Недоступно к заказу
11 44240-24F00 Клапан 749грн.
Под заказ
12 09160-06077 Шайба (6.5X20X1.2) 58грн.
Под заказ
13 01550-0616B БОЛТ 56грн.
Под заказ
14 17210-15H00 Адсорбер с активированным углем 0грн.
Недоступно к заказу
15 09251-07005 CAP 0грн.
Недоступно к заказу
16 44883-06G00 CUSHION,CANISTER 0грн.
Недоступно к заказу
17 44880-15H00 BRACKET,CANISTER 0грн.
Недоступно к заказу
18 01550-0612B БОЛТ 56грн.
Под заказ
19 44437-15H10 HOSE,2 WAY & CSTR 0грн.
Недоступно к заказу
2 09401-11413 CLIP 58грн.
Под заказ
20 09359-54113-700 HOSE 0грн.
Недоступно к заказу
21 09401-12404 Крепёж 74грн.
Под заказ
3 44240-17C00 VALVE,FUEL TANK BREATHER 0грн.
Недоступно к заказу
4 44890-24F00 PLATE,TANK BREATHER VALVE 0грн.
Недоступно к заказу
5 44894-24A00 CUSHION 74грн.
Под заказ
6 02142-0610B Винт держатель 57грн.
Под заказ
7 44892-24A00 PLATE,FUEL TANK BREATHER NO.2 0грн.
Недоступно к заказу
9 02142-0408B Винт 56грн.
Под заказ