Мы на связи пн-пт: 10:00 - 18:00

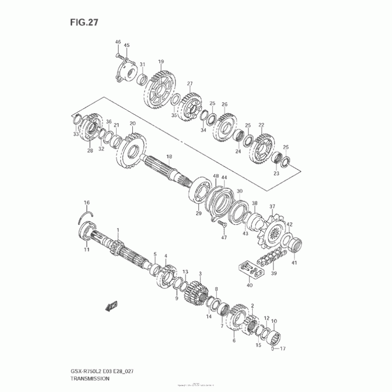
Схема узла: Трансмиссия для Suzuki GSX-R750

Производители Suzuki
Код Товара: GSX-R750L2
6950грн.
Под заказ
Детализация узла Трансмиссия для Suzuki GSX-R750.

Детали поставляются под заказ в соответствии с условиями поставки оригинальных запчастей.

Все детали оригальные, их совместимость гарантирована производителем при условии правильной идентификации модели, года выпуска и отсутсвия предварительной модификации узла владельцем мотоцикла.

Написать отзыв
Примечание: HTML разметка не поддерживается! Используйте обычный текст.

Нет отзывов об этом товаре.

Модель Наименование Сумма Кол-во Доступность
1 24120-15J00 SHAFT,COUNTER 5307грн.
Под заказ
10 09263-20087 BEARING(20X34X13.5) 587грн.
Под заказ
11 09262-25150 BEARING(25X62X17) 767грн.
Под заказ
12 09285-20006 Сальник 189грн.
Под заказ
13 09380-27006 КЛИПС 78грн.
Под заказ
15 09380-27004 КЛИПС 78грн.
Под заказ
16 09390-62012 C RING 105грн.
Под заказ
17 09261-06003 ШТИФТ 0грн.
Недоступно к заказу
18 24131-14J00 SHAFT,DRIVE 5081грн.
Под заказ
19 24311-35F20 GEAR,1ST DRIVEN 1883грн.
Под заказ
2 24221-35F00 GEAR,2ND DRIVE 1895грн.
Под заказ
20 24321-35F11 GEAR,2ND DRIVEN(NT:39) 2433грн.
Под заказ
21 24322-35F00 BUSH,2ND DRIVEN GEAR 331грн.
Под заказ
22 24331-40F30 GEAR,3RD DRIVEN 2482грн.
Под заказ
23 24332-46H00 BUSH,3RD DRIVEN GEAR 534грн.
Под заказ
25 24333-02F00 ШАЙБА КПП 94грн.
Под заказ
26 24341-40F20 GEAR,4TH DRIVEN 0грн.
Недоступно к заказу
27 24351-01H20 GEAR,5TH DRIVEN(NT:31) 2572грн.
Под заказ
28 24361-01H00 GEAR,6TH DRIVEN 2572грн.
Под заказ
29 09262-28045 ПОДШИПНИК 970грн.
Под заказ
3 24231-01H00 GEAR,3RD & 4TH DRIVE 2748грн.
Под заказ
30 09283-42018 Уплотнение вала 587грн.
Под заказ
31 09300-22008 Втулка 249грн.
Под заказ
35 09181-22223 SHIM(22X34X1) 81грн.
Под заказ
37 27510-20A22 Sprocket,engine 0грн.
Недоступно к заказу
37 27510-20A21 Sprocket Comp,engine 1996грн.
Под заказ
37 27510-20A20 SPROCKET,ENGINE(17T) 1996грн.
Под заказ
38 27531-14J00 SPACER,ENGINE SPROCKET 613грн.
Под заказ
39 27600-33E40-116 Цепь 0грн.
Недоступно к заказу
4 24251-01H00 GEAR,5TH DRIVE 2279грн.
Под заказ
40 27620-33E40 Замок цепи 317грн.
Под заказ
41 09159-20004 Гайка 239грн.
Под заказ
42 09160-25009 WASHER(25X41X3) 173грн.
Под заказ
43 09280-24010 КОЛЬЦО УПЛОТНИТЕЛЬНОЕ, РЕЗИНА 109грн.
Под заказ
44 24751-14J00 RETAINER,DRIVE SHAFT BEARING,L 1737грн.
Под заказ
45 24771-01810 HOUSING,DRIVE SHAFT SET 2188грн.
Под заказ
46 09139-06159 SCREW(6X20) 67грн.
Под заказ
48 09280-68010 O RING(D:1.8,ID:67.5) 0грн.
Недоступно к заказу
5 24252-35F00 BUSH,5TH DRIVE GEAR 443грн.
Под заказ
6 24261-01H01 GEAR,6TH DRIVEN(NT:24) 2279грн.
Под заказ
7 24262-35F10 BUSH,6TH DRIVE GEAR 534грн.
Под заказ
8 09167-27001 ШАЙБА 81грн.
Под заказ
9 09160-27008 Шайба 83грн.
Под заказ