Мы на связи пн-пт: 10:00 - 18:00

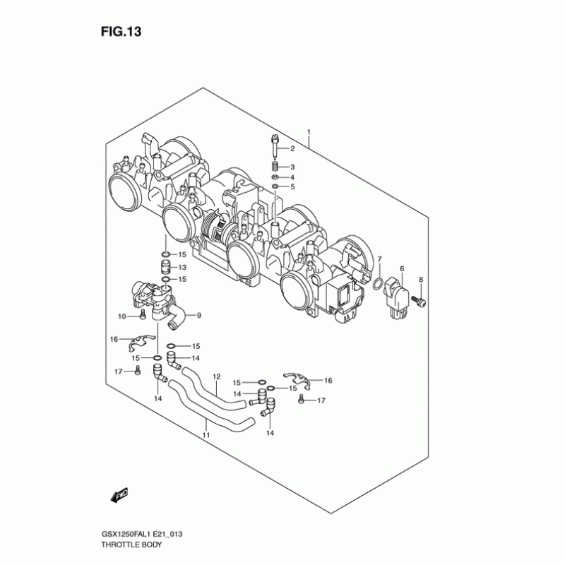
Схема узла: Дроссельная заслонка для Suzuki GSX1250

Производители Suzuki
Код Товара: GSX1250FAL1(E21) L1
31259грн.
Под заказ
Детализация узла Дроссельная заслонка для Suzuki GSX1250.

Детали поставляются под заказ в соответствии с условиями поставки оригинальных запчастей.

Все детали оригальные, их совместимость гарантирована производителем при условии правильной идентификации модели, года выпуска и отсутсвия предварительной модификации узла владельцем мотоцикла.

Написать отзыв
Примечание: HTML разметка не поддерживается! Используйте обычный текст.

Нет отзывов об этом товаре.

Модель Наименование Сумма Кол-во Доступность
1 13405-18H00 Корпус дросселя 0грн.
Недоступно к заказу
10 13605-18H00 Болт 74грн.
Под заказ
11 13698-18H01 Hose 0грн.
Недоступно к заказу
11 13698-18H00 HOSE 0грн.
Недоступно к заказу
12 13698-18H11 Hose 0грн.
Недоступно к заказу
12 13698-18H10 HOSE 0грн.
Недоступно к заказу
13 13682-18H00 PIPE 0грн.
Недоступно к заказу
14 13685-18H00 Золотник 0грн.
Недоступно к заказу
15 13679-18H00 O RING 0грн.
Недоступно к заказу
16 13691-18H00 PLATE 153грн.
Под заказ
17 02112-0408A Болт 56грн.
Под заказ
2 13269-33E00 Болт 0грн.
Недоступно к заказу
3 13268-48700 Пружина 84грн.
Под заказ
4 13606-47A00 Шайба 0грн.
Недоступно к заказу
5 13295-29901 O Ring,pilot Air Screw 0грн.
Недоступно к заказу
5 13295-29900 КОЛЬЦО УПЛОТНИТЕЛЬНОЕ 0грн.
Недоступно к заказу
6 13580-18H00 Датчик 0грн.
Недоступно к заказу
7 13575-29G01 O Ring 0грн.
Недоступно к заказу
7 13575-29G00 O RING 0грн.
Недоступно к заказу
8 13605-02F00 Болт 0грн.
Недоступно к заказу
9 18117-18H01 ACTUATOR,ISC 8683грн.
Под заказ
9 18117-18H00 Actuator, isc 5548грн.
Под заказ