Мы на связи пн-пт: 10:00 - 18:00

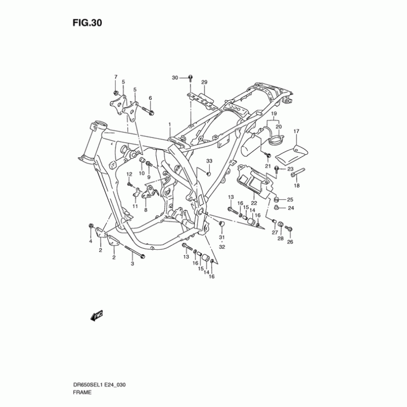
Схема узла: Рама для Suzuki DR650 DR650SE

Производители Suzuki
Код Товара: DR650SEL1(E24) L1
1117грн.
Под заказ
Детализация узла Рама для Suzuki DR650 DR650SE.

Детали поставляются под заказ в соответствии с условиями поставки оригинальных запчастей.

Все детали оригальные, их совместимость гарантирована производителем при условии правильной идентификации модели, года выпуска и отсутсвия предварительной модификации узла владельцем мотоцикла.

Написать отзыв
Примечание: HTML разметка не поддерживается! Используйте обычный текст.

Нет отзывов об этом товаре.

Модель Наименование Сумма Кол-во Доступность
1 41100-32E40-YPT FRAME(GRAY) 0грн.
Недоступно к заказу
10 09250-20012 PLUG(OD:22) 84грн.
Под заказ
11 43251-32E00 BRACKET,STOP SWITCH 133грн.
Под заказ
12 02162-0616B Болт 57грн.
Под заказ
13 09103-08178 Болт 88грн.
Под заказ
14 43911-13E00 ROLLER,CHAIN CONTROL UPR 405грн.
Под заказ
15 09180-08156 Кольцо/шайба 53грн.
Под заказ
15 09180-08119 Кольцо/шайба 78грн.
Под заказ
16 08211-08201 Шайба 64грн.
Под заказ
17 09800-21034 Ключи 1060грн.
Под заказ
18 09816-00100 SPANNER,BOX(16) 229грн.
Под заказ
19 41550-32E00 HOLDER,TOOL 681грн.
Под заказ
2 41911-32E00 PLATE,ENG MTG FR 307грн.
Под заказ
20 41552-37210 КРЫШКА ДЕРЖАТЕЛЯ ИНСТРУМЕНТОВ 307грн.
Под заказ
21 09116-06006 BOLT(6X16) 57грн.
Под заказ
22 41540-32E00 HOLDER,BATTERY 1134грн.
Под заказ
23 09116-06167 БОЛТ 71грн.
Под заказ
24 09169-06065 Шайба 78грн.
Под заказ
25 09320-08510 Cushion(8.5X20X8) 0грн.
Недоступно к заказу
25 09320-08021 ВТУЛКА ФОРСУНКИ ТОПЛИВНОЙ 77грн.
Под заказ
26 09116-06213 BOLT(6X16) 64грн.
Под заказ
27 09180-06038 ВТУЛКА 74грн.
Под заказ
29 41561-32E00 PLATE,BATTERY FITING 169грн.
Под заказ
3 09103-08139 Болт 94грн.
Под заказ
30 01550-0610B Заглушка масляной магистрали 0грн.
Недоступно к заказу
31 43585-32E00 PLUG,FRAME PIVOR,R 106грн.
Под заказ
32 43595-32E00 PLUG,FRAME PIVOR,L 106грн.
Под заказ
33 43586-32E00 PLUG,FRAME BOSS 78грн.
Под заказ
4 08319-3108A Гайка 74грн.
Под заказ
5 41991-32E00 PLATE,ENG MTG UPR 338грн.
Под заказ
6 09103-08339 BOLT(8X55) 77грн.
Под заказ
8 41930-32E00-019 PLATE,ENG MTG RR,R 0грн.
Недоступно к заказу
9 01550-0820B Болт 61грн.
Под заказ