Мы на связи пн-пт: 10:00 - 18:00

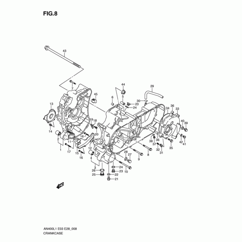
Схема узла: Картер двигателя (An400zal1 e28) для Suzuki AN400 Burgman (EU analogue of SkyWave)

Производители Suzuki
Код Товара: AN400AL1(E03) L1
10619грн.
Под заказ
Детализация узла Картер двигателя (An400zal1 e28) для Suzuki AN400 Burgman (European analogue.

Детали поставляются под заказ в соответствии с условиями поставки оригинальных запчастей.

Все детали оригальные, их совместимость гарантирована производителем при условии правильной идентификации модели, года выпуска и отсутсвия предварительной модификации узла владельцем мотоцикла.

Написать отзыв
Примечание: HTML разметка не поддерживается! Используйте обычный текст.

Нет отзывов об этом товаре.

Модель Наименование Сумма Кол-во Доступность
1 11310-05812 CRANKCASE SET,R 0грн.
Недоступно к заказу
10 01550-0895A Болт 81грн.
Под заказ
11 11315-19F00 Кольцо уплотнительное 0грн.
Недоступно к заказу
12 09280-10016 КОЛЬЦО УПЛОТНИТЕЛЬНОЕ РЕЗИНА 71грн.
Под заказ
13 11313-05H00 SEPARATOR,OIL 0грн.
Недоступно к заказу
14 07130-0612A Болт 61грн.
Под заказ
15 11323-05H00 SEPARATOR,OIL 0грн.
Недоступно к заказу
16 07130-0630A Болт 61грн.
Под заказ
17 07130-0645A Болт 64грн.
Под заказ
18 11390-14F00 Жиклер 0грн.
Недоступно к заказу
19 09280-04004 O RING(D:1.2,ID:4.0) 81грн.
Под заказ
2 09319-10043 Втулка 285грн.
Под заказ
21 01550-1016A Болт 61грн.
Под заказ
22 09168-10002 Прокладка 78грн.
Под заказ
23 09248-14012 Заглушка масляной магистрали 0грн.
Недоступно к заказу
23 09248-14011 PLUG 88грн.
Под заказ
23 09248-14005 PLUG(14X12) 88грн.
Под заказ
24 09168-14004 Прокладка 67грн.
Под заказ
24 09168-14002 ПРОКЛАДКА 74грн.
Под заказ
25 09248-22004 PLUG,22X11 163грн.
Под заказ
26 09168-22002 GASKET(22X27X2) 88грн.
Под заказ
27 09247-14036 Заглушка масляного дренажа 84грн.
Под заказ
29 11329-05H00 HOSE,T/M BREATHER 178грн.
Под заказ
3 11320-05833 CRANKCASE SET,L 0грн.
Недоступно к заказу
3 11320-05831 Crankcase set,l 10719грн.
Под заказ
30 09401-11403 CLIP 68грн.
Под заказ
31 11393-20E00 MAGNETO,GEAR BOX 448грн.
Под заказ
32 01570-0612A Болт 57грн.
Под заказ
33 11431-05H00 COVER,GEAR BOX 0грн.
Недоступно к заказу
34 09280-00035 O RING,D:2.4,ID:172 311грн.
Под заказ
35 01550-0835A Болт 62грн.
Под заказ
36 04211-09149 ШТИФТ 58грн.
Под заказ
37 01550-0812A БОЛТ 61грн.
Под заказ
38 09168-08016 Прокладка 65грн.
Под заказ
41 09248-16012 ШЛАНГ 98грн.
Под заказ
42 09168-16002 КОЛЬЦО УПЛОТНИТЕЛЬНОЕ 71грн.
Под заказ
43 09103-12054 BOLT(12X310) 474грн.
Под заказ
44 08319-3112A Гайка 84грн.
Под заказ
45 11324-05H00 SEPARATOR,OIL BREATHER 0грн.
Недоступно к заказу
5 09364-12002 Болт соединяющий 111грн.
Под заказ
6 11319-33E50 PIN,CRANKCASE 98грн.
Под заказ
7 01547-0640A БОЛТ 58грн.
Под заказ
8 01547-0665A БОЛТ 61грн.
Под заказ
9 01550-0875A БОЛТ 74грн.
Под заказ