Мы на связи пн-пт: 10:00 - 18:00

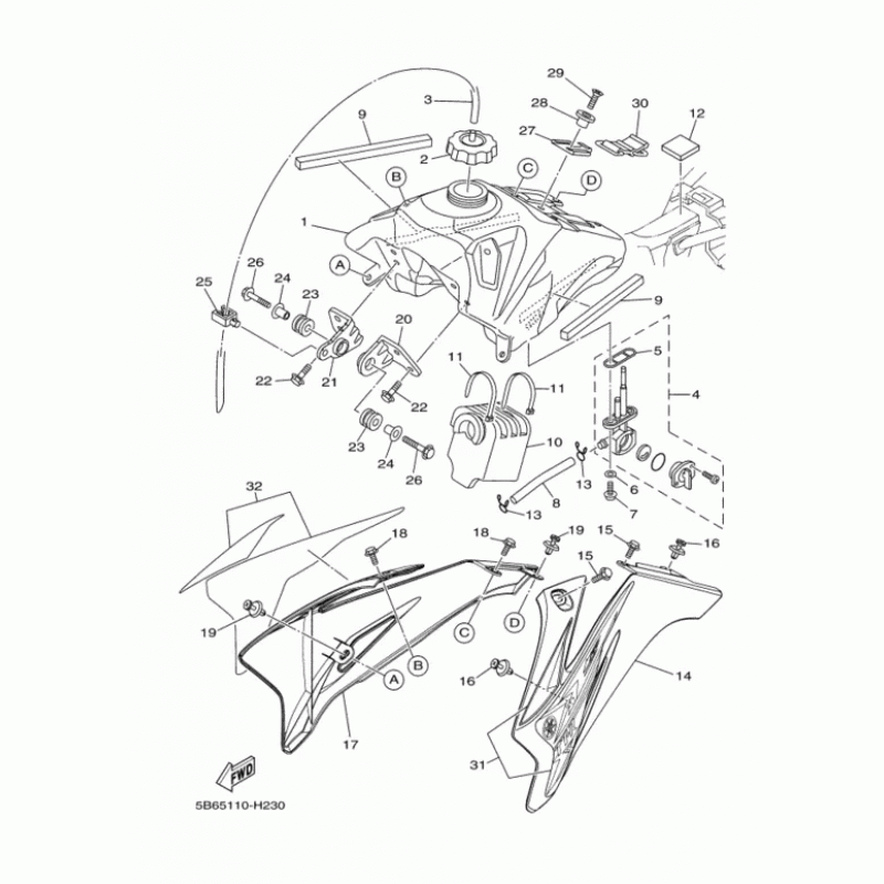
Схема узла: Топливный бак Yamaha TTR110 TT-R110

Производители Yamaha
Код Товара: TTR110 TT-R110
9214грн.
Под заказ
Детализация узла Топливный бак Yamaha TTR110 TT-R110.

Детали поставляются под заказ в соответствии с условиями поставки оригинальных запчастей.

Все детали оригальные, их совместимость гарантирована производителем при условии правильной идентификации модели, года выпуска и отсутсвия предварительной модификации узла владельцем мотоцикла.

Написать отзыв
Примечание: HTML разметка не поддерживается! Используйте обычный текст.

Нет отзывов об этом товаре.

Модель Наименование Сумма Кол-во Доступность
1 5B6-24110-10-00 Бак топливный 9214грн.
Под заказ
10 5B6-24181-00-00 Демпфер 0грн.
Недоступно к заказу
11 1UA-82591-00-00 Хомут 66грн.
Под заказ
11 90465-13152-00 Хомут пластмассовый 66грн.
Под заказ
12 51L-28371-00-00 Амортизатор 127грн.
Под заказ
12 2X6-24183-00-00 Демпфер 3 169грн.
Под заказ
13 904-67090-06-00 Хомут 65грн.
Под заказ
13 904-67090-A2-00 Хомут 74грн.
Под заказ
14 5B6-2137A-00-00 Крышка левая 970грн.
Под заказ
15 90105-06064-00 Болт 58грн.
Под заказ
16 902-69070-76-00 Заклёпка 78грн.
Под заказ
17 5B6-2137B-00-00 Крышка правая 970грн.
Под заказ
2 2FJ-24610-20-00 Cap Assy 2186грн.
Под заказ
2 2FJ-24610-00-00 Крышка бака 2186грн.
Под заказ
2 2FJ-24610-10-00 Крышка бака 2186грн.
Под заказ
20 5B6-24157-00-00 Крепление бака 1 0грн.
Недоступно к заказу
21 5B6-24158-00-00 Крепление бака 2 0грн.
Недоступно к заказу
22 95817-06010-00 Болт 60грн.
Под заказ
22 95812-06010-00 Болт 60грн.
Под заказ
22 95802-06010-00 Болт 63грн.
Под заказ
23 90480-18290-00 Втулка 78грн.
Под заказ
24 90387-066J1-00 Втулка 143грн.
Под заказ
25 90464-13003-00 Фиксатор трубки 91грн.
Под заказ
26 95817-06030-00 Болт 60грн.
Под заказ
26 95802-06030-00 Болт 61грн.
Под заказ
27 5B6-24116-00-00 Крепление бака 2 0грн.
Недоступно к заказу
28 4EW-2412F-00-00 Крепление 182грн.
Под заказ
29 98702-06025-00 Винт 74грн.
Под заказ
3 5B6-21826-10-00 Трубка 0грн.
Недоступно к заказу
3 5B6-21826-00-00 Трубка 0грн.
Недоступно к заказу
30 5B6-24173-00-00 Ремень 231грн.
Под заказ
31 5B6-24230-10-00 Graphic Set 1 0грн.
Недоступно к заказу
32 5B6-24250-10-00 Graphic Set 2 0грн.
Недоступно к заказу
4 1P6-24500-00-00 Кран топливный 3428грн.
Под заказ
5 1P6-24512-00-00 Прокладка 236грн.
Под заказ
6 902-02051-87-00 Шайба 66грн.
Под заказ
6 90202-05193-00 Шайба 66грн.
Под заказ
7 90149-06108-00 Винт 78грн.
Под заказ
8 5B6-24311-10-00 Трубка 0грн.
Недоступно к заказу
9 5B6-2411J-00-00 Демпфер 0грн.
Недоступно к заказу