Мы на связи пн-пт: 10:00 - 18:00

Air injection valve для Honda NT700 NT700V

Производители Honda
Код Товара: NT700 NT700V
1761грн.
Под заказ
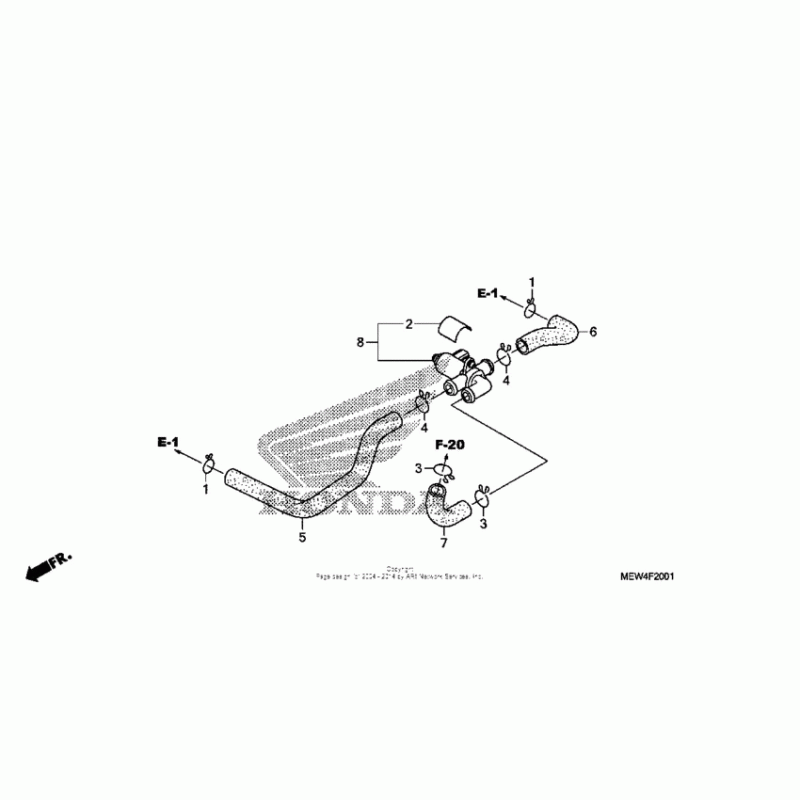
Детализация узла Air injection valve для Honda NT700 NT700V.

Детали поставляются под заказ в соответствии с условиями поставки оригинальных запчастей.

Все детали оригальные, их совместимость гарантирована производителем при условии правильной идентификации модели, года выпуска и отсутсвия предварительной модификации узла владельцем мотоцикла.

Написать отзыв
Примечание: HTML разметка не поддерживается! Используйте обычный текст.

Нет отзывов об этом товаре.

Модель Наименование Сумма Кол-во Доступность
1 17316-611-000 Clip, breather tube 106грн.
Под заказ
2 17506-GCS-300 Tape, tank guard 136грн.
Под заказ
3 17554-MB0-000 Clip, breather tube 105грн.
Под заказ
4 17724-102-700 Clip 85грн.
Под заказ
5 18651-MEW-920 Tube a 627грн.
Под заказ
6 18652-MEW-920 Tube b 294грн.
Под заказ
7 18653-MEW-920 Tube c 299грн.
Под заказ
8 36450-MEW-922 Valve assy,ex-ai 1761грн.
Под заказ