Мы на связи пн-пт: 10:00 - 18:00

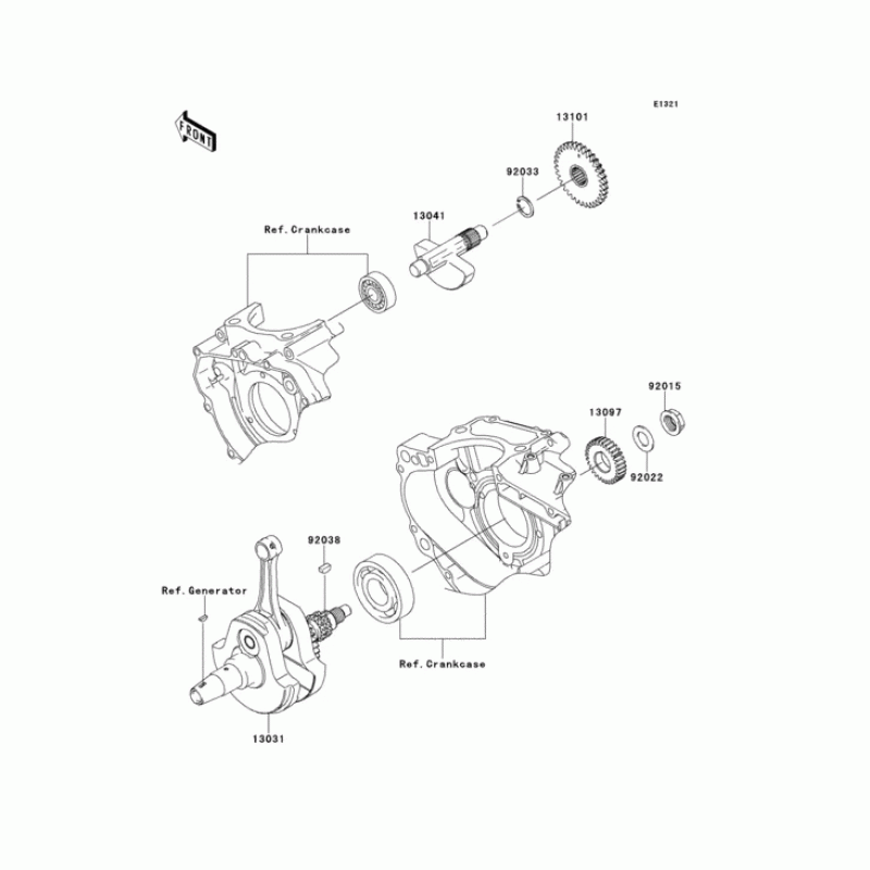
Схема узла: Коленчатый вал для Kawasaki KLX250 KLX250

Производители Kawasaki
Код Товара: KLX250SAF
21109грн.
Под заказ
Детализация узла Коленчатый вал для Kawasaki KLX250 KLX250.

Детали поставляются под заказ в соответствии с условиями поставки оригинальных запчастей.

Все детали оригальные, их совместимость гарантирована производителем при условии правильной идентификации модели, года выпуска и отсутсвия предварительной модификации узла владельцем мотоцикла.

Написать отзыв
Примечание: HTML разметка не поддерживается! Используйте обычный текст.

Нет отзывов об этом товаре.

Модель Наименование Сумма Кол-во Доступность
13031 13031-0757 CRANKSHAFT-COMP 21109грн.
Под заказ
13041 13041-0001 Балансир 1846грн.
Под заказ
13097 13097-0087 GEAR-PRIMARY SPUR,30T 1632грн.
Под заказ
13101 13101-1253 GEAR-ASSY,BALANCER 2447грн.
Под заказ
92015 92015-1581 Гайка 417грн.
Под заказ
92022 92022-1356 WASHER,16.3X29X1.75 135грн.
Под заказ
92033 92033-029 CIRCLIP,18MM 215грн.
Под заказ
92038 92038-1057 Ключ 112грн.
Под заказ