Мы на связи пн-пт: 10:00 - 18:00

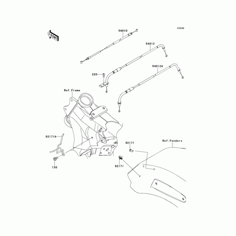
Схема узла: Тросики для Kawasaki VN1700 VN1700 Voyager ABS

Производители Kawasaki
Код Товара: VN1700B9F
1158грн.
Под заказ
Детализация узла Тросики для Kawasaki VN1700 VN1700 Voyager ABS.

Детали поставляются под заказ в соответствии с условиями поставки оригинальных запчастей.

Все детали оригальные, их совместимость гарантирована производителем при условии правильной идентификации модели, года выпуска и отсутсвия предварительной модификации узла владельцем мотоцикла.

Написать отзыв
Примечание: HTML разметка не поддерживается! Используйте обычный текст.

Нет отзывов об этом товаре.

Модель Наименование Сумма Кол-во Доступность
130 130BB0614 BOLT-FLANGED,6X14 65грн.
Под заказ
220 220AB0514 SCREW-PAN-CROSS 61грн.
Под заказ
54010 54010-0092 Кабель замка 552грн.
Под заказ
54012 54012-0282 CABLE-THROTTLE,OPENIN 1158грн.
Под заказ
54012 54012-0283 CABLE-THROTTLE,CLOSIN 1158грн.
Под заказ
92171 92171-0328 CLAMP,SEAT LOCK CABLE 76грн.
Под заказ
92171 92171-1838 Струбцина кабеля 193грн.
Под заказ