Мы на связи пн-пт: 10:00 - 18:00

GSX1300 Hayabusa (GSX1300RK9(E2))


Детализация узла Топливный насос для Suzuki GSX1300 Hayabusa. Детали поставляются под заказ в соотве..
21824грн.
Нет отзывов
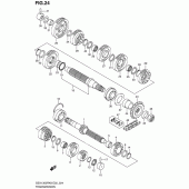
Детализация узла Трансмиссия для Suzuki GSX1300 Hayabusa. Детали поставляются под заказ в соответств..
7757грн.
Нет отзывов
Детализация узла Фара для Suzuki GSX1300 Hayabusa. Детали поставляются под заказ в соответствии с ус..
15013грн.
Нет отзывов
Детализация узла Цепь ГРМ & Натяжитель & Успокоитель для Suzuki GSX1300 Hayabusa. Детали поставляютс..
3932грн.
Нет отзывов
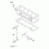
Детализация узла Цилиндр для Suzuki GSX1300 Hayabusa. Детали поставляются под заказ в соответствии с..
45651грн.
Нет отзывов
Детализация узла Электрооборудование для Suzuki GSX1300 Hayabusa. Детали поставляются под заказ в со..
43635грн.
Нет отзывов
Детализация узла Электропроводка (Gsx1300rk8/rk9 p37) для Suzuki GSX1300 Hayabusa. Детали поставляют..
36863грн.
Нет отзывов
Детализация узла Электропроводка (See note) для Suzuki GSX1300 Hayabusa. Детали поставляются под зак..
33557грн.
Нет отзывов
Показано с 81 по 88 из 88 (всего 5 страниц)