Мы на связи пн-пт: 10:00 - 18:00

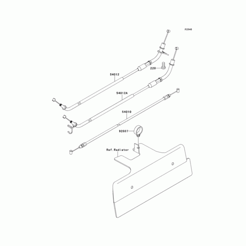
Схема узла: Тросики для Kawasaki ZG1400 Concours 14

Производители Kawasaki
Код Товара: ZG1400B8F
1008грн.
Под заказ
Детализация узла Тросики для Kawasaki ZG1400 Concours 14.

Детали поставляются под заказ в соответствии с условиями поставки оригинальных запчастей.

Все детали оригальные, их совместимость гарантирована производителем при условии правильной идентификации модели, года выпуска и отсутсвия предварительной модификации узла владельцем мотоцикла.

Написать отзыв
Примечание: HTML разметка не поддерживается! Используйте обычный текст.

Нет отзывов об этом товаре.

Модель Наименование Сумма Кол-во Доступность
220 220AB0614 SCREW-PAN-CROSS,6X14 61грн.
Под заказ
54010 54010-0066 CABLE,SEAT LOCK 250грн.
Под заказ
54012 54012-0223 CABLE-THROTTLE,OPENIN 1008грн.
Под заказ
54012 54012-0199 CABLE-THROTTLE,CLOSIN 1008грн.
Под заказ
92037 92037-1827 CLAMP,HOSE 172грн.
Под заказ