Warning: unlink(/home/allmoto/web/allmoto.parts/storage/cache/cache.search.1.0.1.65546ff55686558590dd83ea1ea06b76.1766251302): No such file or directory in /home/allmoto/web/allmoto.parts/public_html/system/library/cache/file.php on line 17 Схема узла: Задний фонарь (Стоп-сигнал) для Honda VT750 Shadow Spirit
Мы на связи пн-пт: 10:00 - 18:00

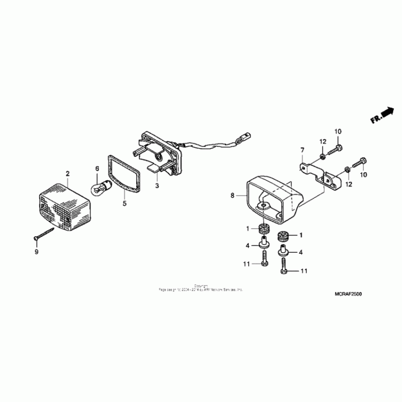
Задний фонарь (Стоп-сигнал) для Honda VT750 Shadow Spirit

Производители Honda
Код Товара: VT750 Shadow Spirit
1687грн.
Под заказ
Детализация узла Задний фонарь (Стоп-сигнал) для Honda VT750 Shadow Spirit.

Детали поставляются под заказ в соответствии с условиями поставки оригинальных запчастей.

Все детали оригальные, их совместимость гарантирована производителем при условии правильной идентификации модели, года выпуска и отсутсвия предварительной модификации узла владельцем мотоцикла.

Написать отзыв
Примечание: HTML разметка не поддерживается! Используйте обычный текст.

Нет отзывов об этом товаре.

Модель Наименование Сумма Кол-во Доступность
1 17245-107-010 Rubber 113грн.
Под заказ
10 92101-05012-0G Болт 47грн.
Под заказ
11 92101-05025-0G Болт 49грн.
Под заказ
12 94111-05000 Шайба 47грн.
Под заказ
2 33702-MGR-305 Lens, taillight 1022грн.
Под заказ
3 33703-MCR-A41 Socket, taillight 1614грн.
Под заказ
4 33707-MCR-A00 Collar 157грн.
Под заказ
5 33709-KB7-003 Прокладка 101грн.
Под заказ
6 34906-425-771 Bulb (12v27/8w) 137грн.
Под заказ
7 80128-MCR-A00 Stay, taillight 281грн.
Под заказ
8 80350-MCR-A00 Cover, taillight 1687грн.
Под заказ
9 90105-GAM-000 Screw, tap (4x40) 94грн.
Под заказ