Мы на связи пн-пт: 10:00 - 18:00

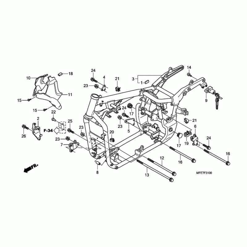
Рама для Honda VT750 Shadow Spirit

Производители Honda
Код Товара: VT750 Shadow Spirit
1399грн.
Под заказ
Детализация узла Рама для Honda VT750 Shadow Spirit.

Детали поставляются под заказ в соответствии с условиями поставки оригинальных запчастей.

Все детали оригальные, их совместимость гарантирована производителем при условии правильной идентификации модели, года выпуска и отсутсвия предварительной модификации узла владельцем мотоцикла.

Написать отзыв
Примечание: HTML разметка не поддерживается! Используйте обычный текст.

Нет отзывов об этом товаре.

Модель Наименование Сумма Кол-во Доступность
1 17503-MY1-300 Film, protector 101грн.
Под заказ
10 63500-MEG-000 Cover, r. fr. side 574грн.
Под заказ
11 63600-MEG-000 Cover, l. fr. side 574грн.
Под заказ
12 90103-GC2-920 Bolt, engine hanger 221грн.
Под заказ
13 90104-MBS-000 Bolt, flg (10x208) 378грн.
Под заказ
14 90106-MAV-000 Screw, pan (6x12) 71грн.
Под заказ
15 90106-MBY-000 ШАЙБА 78грн.
Под заказ
16 90154-KE7-000 Bolt, ubs (10x141) 127грн.
Под заказ
17 90312-MB0-700 Cap, r. lock nut 374грн.
Под заказ
18 90655-MEG-000 Зажим/хомутик cover 78грн.
Под заказ
19 90684-ZA0-601 Clip, harness 74грн.
Под заказ
2 46505-MEG-000 Bracket, rr. 1399грн.
Под заказ
20 90690-GHB-631 Clip, cable, 8mm 79грн.
Под заказ
21 90690-GHB-671 Clip, cable, 25mm 79грн.
Под заказ
22 90841-001-000 Голвка вилта 83грн.
Под заказ
23 9405010070 Nut, flange, 10mm 55грн.
Под заказ
23 90303-428-900 Nut, flange (10mm) 118грн.
Под заказ
24 95701-080-160-7 Bolt (95701-08016-07) 52грн.
Под заказ
25 95701-0802007 Bolt, flange, 8x20 52грн.
Под заказ
26 95701-1002507 Bolt, flange, 10x25 33грн.
Под заказ
3 50010-MFE-640 Body set 88111грн.
Под заказ
4 50171-MEG-000 Brkt, r. rr. eng hgr 192грн.
Под заказ
5 50172-MEG-000 Brkt, r. rr. eng hgr 222грн.
Под заказ
6 50173-MEG-640 Bracket 331грн.
Под заказ
7 50176-MFE-671 Plate, fr, eng hgr 567грн.
Под заказ
7 50176-MFE-670 Plate, fr. eng hgr 0грн.
Недоступно к заказу
8 50363-KT7-000 Collar, eng hgr 261грн.
Под заказ
9 50710-KPM-003 Holder assy. 974грн.
Под заказ