Мы на связи пн-пт: 10:00 - 18:00

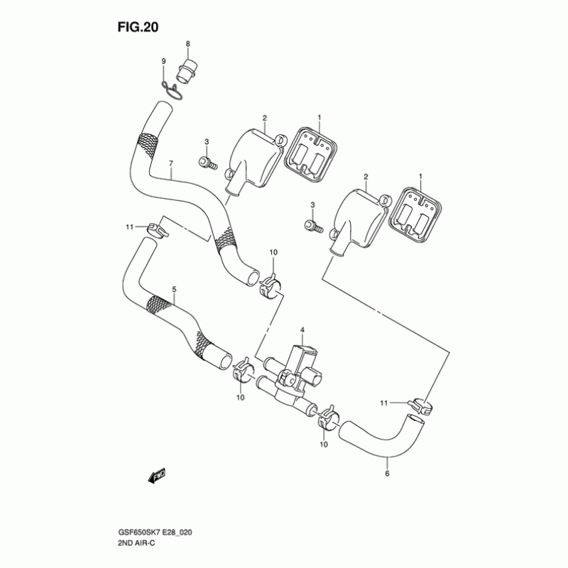
Схема узла: Система индукции воздуха для Suzuki GSF650 Bandit S

Производители Suzuki
Код Товара: GSF650SK7(E28) K7
1809грн.
Под заказ
Детализация узла Система индукции воздуха для Suzuki GSF650 Bandit S.

Детали поставляются под заказ в соответствии с условиями поставки оригинальных запчастей.

Все детали оригальные, их совместимость гарантирована производителем при условии правильной идентификации модели, года выпуска и отсутсвия предварительной модификации узла владельцем мотоцикла.

Написать отзыв
Примечание: HTML разметка не поддерживается! Используйте обычный текст.

Нет отзывов об этом товаре.

Модель Наименование Сумма Кол-во Доступность
1 18450-35F30 VALVE ASSY,2ND AIR REED 1580грн.
Под заказ
10 09401-17401 ХОМУТ МАЛЫЙ 74грн.
Под заказ
11 09401-18404 ХОМУТ 68грн.
Под заказ
2 18531-15H01 COVER,2ND AIR REED VALVE 0грн.
Недоступно к заказу
2 18531-15H00 Крышка клапана 564грн.
Под заказ
3 09106-06073 БОЛТ 74грн.
Под заказ
4 18510-29G20 VALVE ASSY,AIR CUT 2951грн.
Под заказ
5 18461-18H00 HOSE,2ND AIR VALVE,R 428грн.
Под заказ
6 18471-18H00 HOSE,2ND AIR VALVE,L 331грн.
Под заказ
7 18711-18H00 HOSE,2ND AIR CLEANER 655грн.
Под заказ
8 13888-19B00 Соединение 0грн.
Недоступно к заказу
9 09401-15101 ХОМУТ МАЛЫЙ 88грн.
Под заказ