Мы на связи пн-пт: 10:00 - 18:00

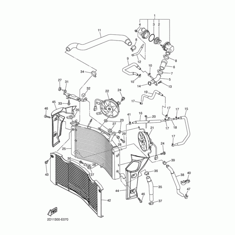
Схема узла: Радиатор и Патрубок системы охлаждения Yamaha FZ1 FZ1 FAZER (Naked)

Производители Yamaha
Код Товара: FZ1 FZ1 FAZER (Naked)
19892грн.
Под заказ
Детализация узла Радиатор и Патрубок системы охлаждения Yamaha FZ1 FZ1 FAZER (Naked).

Детали поставляются под заказ в соответствии с условиями поставки оригинальных запчастей.

Все детали оригальные, их совместимость гарантирована производителем при условии правильной идентификации модели, года выпуска и отсутсвия предварительной модификации узла владельцем мотоцикла.

Написать отзыв
Примечание: HTML разметка не поддерживается! Используйте обычный текст.

Нет отзывов об этом товаре.

Модель Наименование Сумма Кол-во Доступность
1 2D1-12410-00-00 Корпус термостата в сборе 2911грн.
Под заказ
10 90467-10135-00 Хомут 66грн.
Под заказ
10 90467-11090-00 Хомут 66грн.
Под заказ
11 2D1-12578-00-00 Трубка 3 948грн.
Под заказ
12 5GV-1246A-00-00 Лента 115грн.
Под заказ
13 901-1006X-26-00 Болт диагональный 0грн.
Недоступно к заказу
13 91312-06014-00 Болт 74грн.
Под заказ
13 90110-06168-00 Болт 74грн.
Под заказ
14 93210-235A1-00 Кольцо уплотнительное 82грн.
Под заказ
15 5VY-1243A-00-00 Трубка 1 430грн.
Под заказ
16 2D1-1244G-00-00 Трубка 4 491грн.
Под заказ
18 90413-07023-00 Тройник 399грн.
Под заказ
19 2D1-1243E-01-00 Трубка 2 374грн.
Под заказ
19 2D1-1243E-00-00 Трубка 379грн.
Под заказ
2 5LP-12411-00-00 Термостат 979грн.
Под заказ
20 90464-15195-00 Хомут пластмассовый 67грн.
Под заказ
20 90464-13073-00 Хомут пластмассовый 67грн.
Под заказ
21 2D1-12405-01-00 Вентилятор левый 9337грн.
Под заказ
21 2D1-12405-00-00 Вентилятор 9337грн.
Под заказ
22 2D1-12405-11-00 Вентилятор правый 10605грн.
Под заказ
22 2D1-12405-10-00 Вентилятор 10605грн.
Под заказ
23 1AA-12535-00-00 Пластина 384грн.
Под заказ
24 2D1-12675-00-00 Болт 78грн.
Под заказ
25 2D1-12461-00-00 Радиатор 19892грн.
Под заказ
26 1B3-12462-00-00 Крышка радиатора 938грн.
Под заказ
26 4FL-12462-00-00 Крышка радиатора 912грн.
Под заказ
26 22W-12462-00-00 Крышка 925грн.
Под заказ
27 904-80153-63-00 Втулка 74грн.
Под заказ
28 903-87073-91-00 Втулка 80грн.
Под заказ
29 90109-06015-00 Болт 78грн.
Под заказ
3 932-10490-46-00 Кольцо уплотнительное 77грн.
Под заказ
30 90109-067E6-00 Болт 81грн.
Под заказ
31 2D1-12464-00-00 Крепление радиатора 1220грн.
Под заказ
32 2D1-2139U-00-00 Демпфер 78грн.
Под заказ
33 958-17060-12-00 Болт 60грн.
Под заказ
33 95807-06012-00 Болт 60грн.
Под заказ
35 2D1-12551-00-00 Трубка 7 732грн.
Под заказ
37 90450-32003-00 Хомут 169грн.
Под заказ
37 90450-32001-00 Хомут 169грн.
Под заказ
38 2D1-12589-00-00 Трубка 6 578грн.
Под заказ
39 90450-22M14-00 Зажим шланга в сборе (64Х) 257грн.
Под заказ
39 90450-22017-00 Хомут 261грн.
Под заказ
4 90176-06014-00 Гайка корончатая 78грн.
Под заказ
40 90464-23002-00 Скоба 119грн.
Под заказ
42 2D1-12467-00-00 Решётка радиатора 648грн.
Под заказ
43 90111-06031-00 Болт 81грн.
Под заказ
44 2D1-1240J-00-P0 Крышка радиатора левая 3170грн.
Под заказ
45 2D1-1240K-00-P0 Крышка радиатора правая 3170грн.
Под заказ
46 90149-06298-00 Винт 74грн.
Под заказ
46 90111-06078-00 Болт 74грн.
Под заказ
47 90467-200A0-00 Хомут 210грн.
Под заказ
5 5VY-12485-10-00 Тройник 1156грн.
Под заказ
6 5VY-12579-00-00 Трубка 4 307грн.
Под заказ
7 904-50350-01-00 Хомут 169грн.
Под заказ
8 90450-38040-00 Хомут 148грн.
Под заказ
9 5VY-1243F-01-00 Трубка 3 571грн.
Под заказ
9 5VY-1243F-00-00 Трубка 571грн.
Под заказ