Мы на связи пн-пт: 10:00 - 18:00

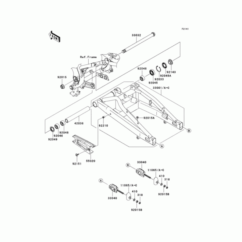
Схема узла: Задний рычаг (Маятник) для Kawasaki EX650 Ninja 650

Производители Kawasaki
Код Товара: EX650A6F
2265грн.
Под заказ
Детализация узла Задний рычаг (Маятник) для Kawasaki EX650 Ninja 650.

Детали поставляются под заказ в соответствии с условиями поставки оригинальных запчастей.

Все детали оригальные, их совместимость гарантирована производителем при условии правильной идентификации модели, года выпуска и отсутсвия предварительной модификации узла владельцем мотоцикла.

Написать отзыв
Примечание: HTML разметка не поддерживается! Используйте обычный текст.

Нет отзывов об этом товаре.

Модель Наименование Сумма Кол-во Доступность
11065 11065-0121-796 CAP,CHAIN ADJUSTER,P. 563грн.
Под заказ
318 318AB0800 Гайка 61грн.
Под заказ
318 318C0800 Гайка 61грн.
Под заказ
33001 33001-0081-796 ARM-COMP-SWING,P.RED 0грн.
Недоступно к заказу
33032 33032-1142 Вал 2265грн.
Под заказ
33040 33040-0015 ADJUSTER-CHAIN,INNER 515грн.
Под заказ
410 92022-1554 Шайба,8MM 115грн.
Под заказ
410 410F0800 WASHER,PLAIN,8MM 0грн.
Недоступно к заказу
410 410AB0800 WASHER,PLAIN,8MM 101грн.
Под заказ
42036 42036-1358 SLEEVE,SWING ARM,L=21 1636грн.
Под заказ
55020 55020-0192 Успокоитель цепи 601грн.
Под заказ
92015 92015-1724 Гайка,20MM 306грн.
Под заказ
92015 92015-1959 Гайка 129грн.
Под заказ
92015 92015-1759 Гайка,6MM 108грн.
Под заказ
92033 92033-1041 CIRCLIP,42MM 119грн.
Под заказ
92045 92045-0017 BEARING-BALL,6004UL11 488грн.
Под заказ
92046 92046-0008 BEARING-NEEDLE,7E-HVS 597грн.
Под заказ
92049 92049-1181 Сальник 247грн.
Под заказ
92049 92049-1185 Сальник,TC28426.5 247грн.
Под заказ
92143 92143-1727 COLLAR,SWING ARM,RH,L 431грн.
Под заказ
92151 92151-1149 Болт ,6X18 172грн.
Под заказ
92210 92210-1397 NUT,POP,6MM,L=15 104грн.
Под заказ