Мы на связи пн-пт: 10:00 - 18:00

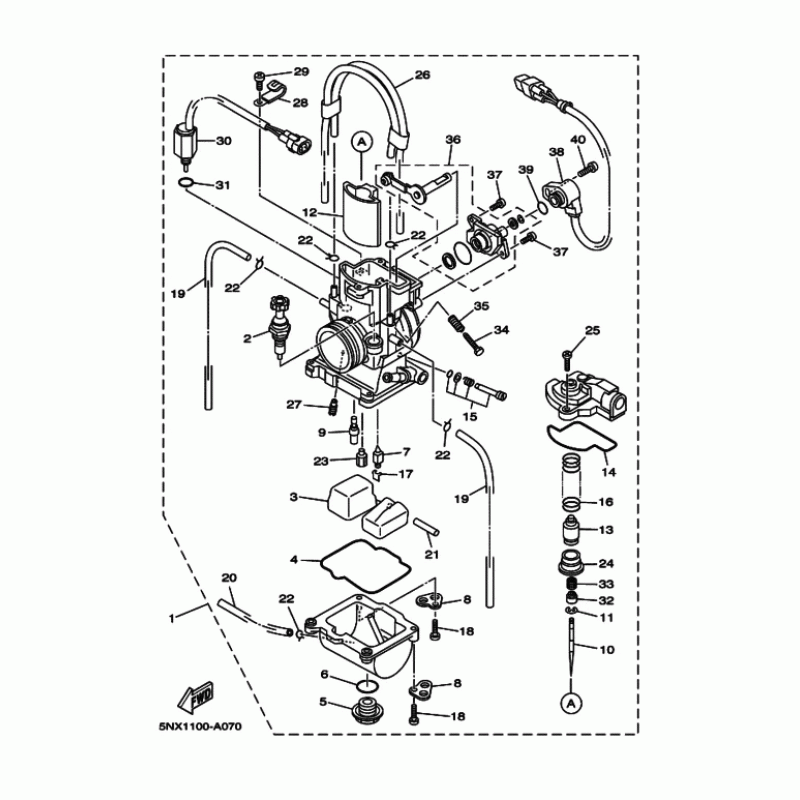
Схема узла: Карбюратор Yamaha YZ250 YZ250

Производители Yamaha
Код Товара: YZ250 YZ250
5982грн.
Под заказ
Детализация узла Карбюратор Yamaha YZ250 YZ250.

Детали поставляются под заказ в соответствии с условиями поставки оригинальных запчастей.

Все детали оригальные, их совместимость гарантирована производителем при условии правильной идентификации модели, года выпуска и отсутсвия предварительной модификации узла владельцем мотоцикла.

Написать отзыв
Примечание: HTML разметка не поддерживается! Используйте обычный текст.

Нет отзывов об этом товаре.

Модель Наименование Сумма Кол-во Доступность
1 1P8-14101-00-00 Карбюратор в сборе 0грн.
Недоступно к заказу
10 4SR-14916-CJ-00 Игла (N3CJ) 812грн.
Под заказ
10 4SR-14916-EW-00 Игла (N3EW) 812грн.
Под заказ
10 4SR-14916-EJ-00 Игла (N3EJ) 812грн.
Под заказ
10 4SR-14916-CK-00 Игла (N3CK) 812грн.
Под заказ
10 4SR-14916-RJ-00 Игла (N8RJ) 812грн.
Под заказ
10 4SR-14916-EK-00 Игла (N3EK) 812грн.
Под заказ
10 4SR-14916-RW-00 Игла (N8RW) 812грн.
Под заказ
11 4MX-14919-00-00 Стопор 128грн.
Под заказ
12 5HC-14340-A7-00 Заслонка впуска 3311грн.
Под заказ
13 5HC-14261-00-00 Основание пружины 562грн.
Под заказ
14 5HC-14126-00-00 Прокладка 226грн.
Под заказ
15 4SR-14105-00-00 Винт регулировочный 726грн.
Под заказ
16 5HC-14131-00-00 Пружина заслонки 471грн.
Под заказ
17 663-14159-00-00 Фиксатор 215грн.
Под заказ
17 633-14159-00-00 Стопор 210грн.
Под заказ
18 98580-04014-00 Винт 66грн.
Под заказ
18 98502-04014-00 Винт 66грн.
Под заказ
19 4XL-14197-10-00 Трубка 281грн.
Под заказ
2 4JT-14171-00-00 Обогатитель 1315грн.
Под заказ
20 4XL-14196-10-00 Трубка 220грн.
Под заказ
21 663-14548-00-00 Ось поплавка 195грн.
Под заказ
21 676-14548-00-00 Ось поплавка 78грн.
Под заказ
22 3TJ-14137-40-00 Стопор 82грн.
Под заказ
23 4MX-14943-91-00 Жиклёр главный (#168) 552грн.
Под заказ
23 4MX-14943-42-00 Жиклёр главный (#175) 552грн.
Под заказ
23 4MX-14943-40-00 Жиклёр главный (#165) 552грн.
Под заказ
23 4MX-14943-94-00 Жиклёр главный (#182) 552грн.
Под заказ
23 4MX-14943-41-00 Жиклёр главный (#170) 552грн.
Под заказ
23 4MX-14943-43-00 Жиклёр главный (#180) 552грн.
Под заказ
23 4MX-14943-93-00 Жиклёр главный (#178) 552грн.
Под заказ
23 4MX-14943-92-00 Жиклёр главный (#172) 552грн.
Под заказ
23 4MX-14943-45-00 Жиклёр главный (#190) 552грн.
Под заказ
23 4MX-14943-44-00 Жиклёр главный (#185) 552грн.
Под заказ
23 4MX-14943-95-00 Жиклёр главный (#188) 552грн.
Под заказ
23 4MX-14943-90-00 Жиклёр главный (#162) 552грн.
Под заказ
24 4MX-14194-00-00 Кольцо 608грн.
Под заказ
25 98517-04012-00 Винт 61грн.
Под заказ
25 98502-04012-00 Винт 60грн.
Под заказ
26 4XL-1410E-00-00 Трубка 870грн.
Под заказ
27 4JT-1494F-09-00 Жиклёр (#55) 491грн.
Под заказ
27 4JT-1494F-13-00 Жиклёр (#65) 491грн.
Под заказ
27 4JT-1494F-11-00 Жиклёр (#60) 491грн.
Под заказ
27 4JT-1494F-07-00 Жиклёр (#50) 491грн.
Под заказ
27 4JT-1494F-03-00 Жиклёр (#40) 491грн.
Под заказ
28 5HC-14146-00-00 Скоба 226грн.
Под заказ
29 98580-04006-00 Винт 74грн.
Под заказ
3 4SR-14985-00-00 Поплавок 1424грн.
Под заказ
30 5NX-1410H-00-00 Клапан отсечки топлива 4897грн.
Под заказ
31 4JT-14147-00-00 Кольцо уплотнительное 88грн.
Под заказ
32 5HC-14264-00-00 Втулка 557грн.
Под заказ
33 5HC-14275-00-00 Пружина 128грн.
Под заказ
34 5HC-14922-00-00 Винт регулировочный 266грн.
Под заказ
35 5HC-14934-00-00 Пружина 128грн.
Под заказ
36 1P8-14208-00-00 Рычаг 2635грн.
Под заказ
37 5HC-14216-00-00 Винт 88грн.
Под заказ
38 5NX-85885-00-00 Датчик положения заслонки 5982грн.
Под заказ
39 5NX-14562-00-00 Кольцо уплотнительное 128грн.
Под заказ
39 33D-14562-00-00 Кольцо уплотнительное 128грн.
Под заказ
4 4JT-14984-00-00 Прокладка поплавковой камеры 598грн.
Под заказ
40 5NX-14216-00-00 Винт 91грн.
Под заказ
40 1DX-14216-00-00 Винт 91грн.
Под заказ
5 4MX-14115-00-00 Пробка 762грн.
Под заказ
6 4MX-14561-00-00 Кольцо уплотнительное 164грн.
Под заказ
7 4MX-14392-00-00 Клапан 1161грн.
Под заказ
8 5BE-14146-00-00 Пластина 102грн.
Под заказ
8 4XL-14146-00-00 Пластина 102грн.
Под заказ
9 4MX-14948-07-00 Жиклёр (#50) 532грн.
Под заказ
9 4MX-14948-09-00 Жиклёр (#55) 532грн.
Под заказ
9 4MX-14948-08-00 Жиклёр (#52) 532грн.
Под заказ
9 4MX-14948-04-00 Жиклёр (#42) 532грн.
Под заказ
9 4MX-14948-05-00 Жиклёр (#45) 532грн.
Под заказ
9 4MX-14948-06-00 Жиклёр (#48) 532грн.
Под заказ
9 4MX-14948-03-00 Жиклёр (#40) 532грн.
Под заказ
9 4MX-14948-02-00 Жиклёр (#38) 532грн.
Под заказ
9 4MX-14948-11-00 Жиклёр (#60) 532грн.
Под заказ
9 4MX-14948-10-00 Жиклёр (#58) 532грн.
Под заказ
9 4MX-14948-12-00 Жиклёр (#62) 532грн.
Под заказ