Мы на связи пн-пт: 10:00 - 18:00

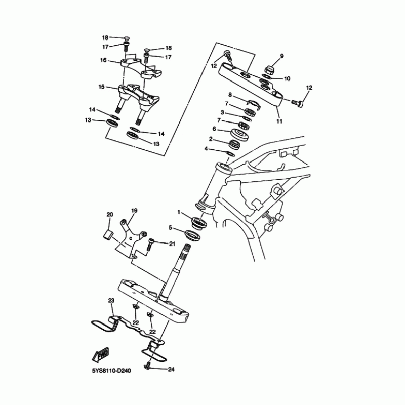
Схема узла: Рулевой механизм Yamaha XVS1100 V-Star Silverado

Производители Yamaha
Код Товара: XVS1100 V-Star Silverado
10564грн.
Под заказ
Детализация узла Рулевой механизм Yamaha XVS1100 V-Star Silverado.

Детали поставляются под заказ в соответствии с условиями поставки оригинальных запчастей.

Все детали оригальные, их совместимость гарантирована производителем при условии правильной идентификации модели, года выпуска и отсутсвия предварительной модификации узла владельцем мотоцикла.

Написать отзыв
Примечание: HTML разметка не поддерживается! Используйте обычный текст.

Нет отзывов об этом товаре.

Модель Наименование Сумма Кол-во Доступность
1 933-99999-32-00 Подшипник 1104грн.
Под заказ
10 90201-220T0-00 Шайба 138грн.
Под заказ
10 90201-22018-00 Шайба 138грн.
Под заказ
11 4VR-W2341-30-00 Crown, Handle 10564грн.
Под заказ
12 91314-08030-00 Болт 60грн.
Под заказ
13 3DM-23445-00-00 Демпфер 143грн.
Под заказ
14 90201-14220-00 Шайба 74грн.
Под заказ
15 5VR-23442-01-00 Holder, Handle Lower 7659грн.
Под заказ
15 5VR-23442-00-00 Holder, Handle Lower 7659грн.
Под заказ
16 5VR-23441-00-00 Holder, Handle Upper 7127грн.
Под заказ
17 91314-08025-00 Болт 72грн.
Под заказ
18 90338-08163-00 Пробка 112грн.
Под заказ
19 5BN-23174-01-00 Stay, Headlight 1524грн.
Под заказ
19 5BN-23174-00-00 Крепление фары 1524грн.
Под заказ
2 93399-99931-00 Подшипник 997грн.
Под заказ
20 5BN-2317J-00-00 Демпфер 112грн.
Под заказ
21 92014-08040-00 Болт 95грн.
Под заказ
22 90179-08491-00 Гайка 66грн.
Под заказ
22 95707-08500-00 Гайка 59грн.
Под заказ
23 5KS-25886-00-00 Скоба 975грн.
Под заказ
24 95024-06010-00 Болт 74грн.
Под заказ
3 90202-26142-00 Шайба 81грн.
Под заказ
4 90202-24190-00 Шайба 78грн.
Под заказ
5 3FV-23462-00-00 Уплотнение 578грн.
Под заказ
6 1W1-23416-00-00 Крышка подшипника 506грн.
Под заказ
7 901-79250-04-00 Гайка 136грн.
Под заказ
7 90179-25003-00 Гайка 327грн.
Под заказ
7 90179-25033-00 Гайка 327грн.
Под заказ
8 26H-23418-01-00 Шайба специальная 222грн.
Под заказ
9 90176-22081-00 Гайка корончатая 454грн.
Под заказ