Мы на связи пн-пт: 10:00 - 18:00

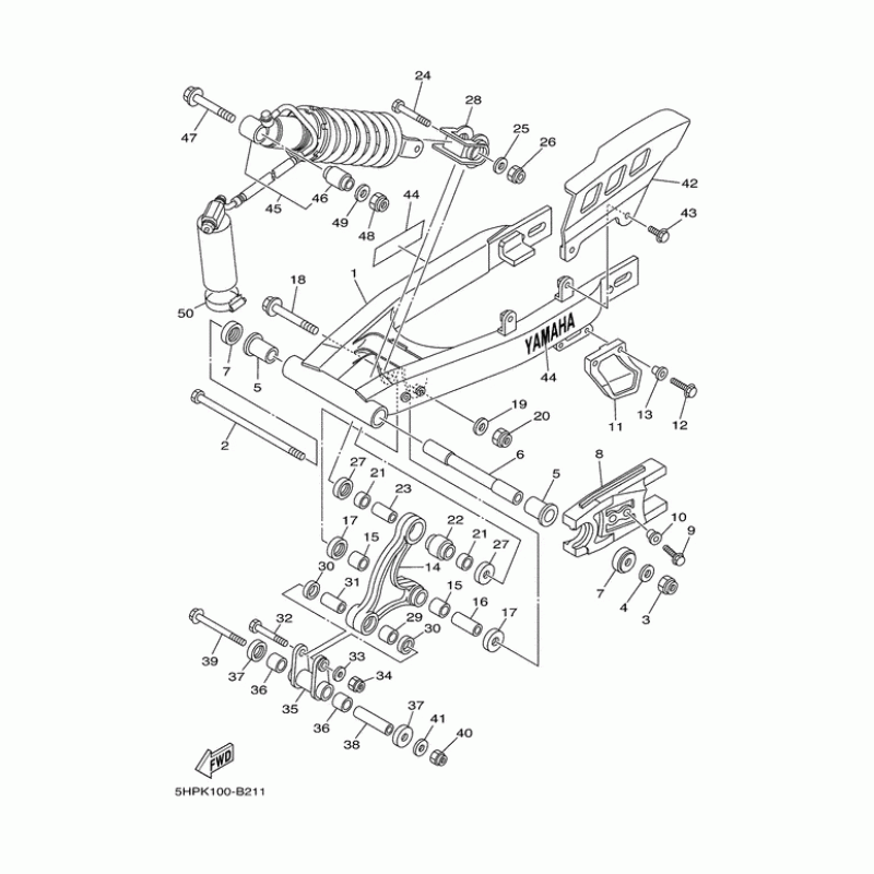
Схема узла: Задний рычаг и подвеска 2 Yamaha TTR125 TT-R125

Производители Yamaha
Код Товара: TTR125 TT-R125
28687грн.
Под заказ
Детализация узла Задний рычаг и подвеска 2 Yamaha TTR125 TT-R125.

Детали поставляются под заказ в соответствии с условиями поставки оригинальных запчастей.

Все детали оригальные, их совместимость гарантирована производителем при условии правильной идентификации модели, года выпуска и отсутсвия предварительной модификации узла владельцем мотоцикла.

Написать отзыв
Примечание: HTML разметка не поддерживается! Используйте обычный текст.

Нет отзывов об этом товаре.

Модель Наименование Сумма Кол-во Доступность
1 5HP-22110-20-00 Рычаг подвески 26273грн.
Под заказ
10 90387-062X0-00 Втулка 476грн.
Под заказ
11 38V-22199-00-00 Поддержка цепи 1102грн.
Под заказ
11 5RM-F2199-00-00 Планка поддержки цепи 943грн.
Под заказ
12 95817-06020-00 Болт 61грн.
Под заказ
12 9580M-06020-00 Болт 61грн.
Под заказ
13 90387-06737-00 Втулка 78грн.
Под заказ
14 1B2-F217A-00-00 Рычаг 2567грн.
Под заказ
15 90384-18190-00 Втулка биметаллическая 226грн.
Под заказ
16 1B2-F2124-00-00 Втулка 911грн.
Под заказ
17 1B2-F2129-00-00 Крышка 368грн.
Под заказ
18 90105-12019-00 Болт 195грн.
Под заказ
2 1B2-F2141-00-00 Болт-ось рычага 862грн.
Под заказ
21 90380-16109-00 Втулка 236грн.
Под заказ
22 22W-22124-00-00 Втулка 671грн.
Под заказ
22 1B2-F2123-00-00 Втулка 681грн.
Под заказ
23 90387-106G0-00 Втулка 307грн.
Под заказ
24 90109-10689-00 Болт 148грн.
Под заказ
25 90201-100F7-00 Шайба 84грн.
Под заказ
25 90201-10430-00 Шайба 84грн.
Под заказ
26 90185-10120-00 Гайка самоконтрящаяся 121грн.
Под заказ
27 4AN-F2129-00-00 Крышка 348грн.
Под заказ
28 4AN-F2189-00-00 Уплотнение 348грн.
Под заказ
29 90383-16023-00 Втулка 210грн.
Под заказ
3 95617-12100-00 Гайка 104грн.
Под заказ
30 93109-16800-00 Сальник 169грн.
Под заказ
35 1B2-F217F-00-35 Рычаг 1397грн.
Под заказ
38 90387-105G9-00 Втулка 384грн.
Под заказ
39 90105-10392-00 Болт 107грн.
Под заказ
4 90201-124G9-00 Шайба 174грн.
Под заказ
42 1B2-F2311-00-00 Защита цепи 522грн.
Под заказ
43 97017-06014-00 Bolt(8Cp) 80грн.
Под заказ
43 90119-06079-00 Болт с шайбой 74грн.
Под заказ
43 90119-06205-00 Болт с шайбой 74грн.
Под заказ
44 1B2-F153A-00-00 Эмблема 644грн.
Под заказ
45 5HP-22210-F0-00 Амортизатор с пружиной 28401грн.
Под заказ
45 5HP-22210-E0-00 Амортизатор с пружиной 28687грн.
Под заказ
45 5HP-22210-A0-00 Амортизатор с пружиной 25619грн.
Под заказ
46 2YK-22216-00-00 Втулка 2280грн.
Под заказ
47 90105-12030-00 Болт 374грн.
Под заказ
5 90386-18099-00 Втулка 296грн.
Под заказ
50 90450-60803-00 Хомут 435грн.
Под заказ
6 90389-12002-00 Втулка 848грн.
Под заказ
7 401-22128-01-00 Крышка 599грн.
Под заказ
7 5L9-F2128-00-00 Крышка 599грн.
Под заказ
8 1B2-F2151-10-00 Планка направляющая 2140грн.
Под заказ
9 95817-06025-00 Болт 60грн.
Под заказ
9 9580M-06025-00 Болт 148грн.
Под заказ