Мы на связи пн-пт: 10:00 - 18:00

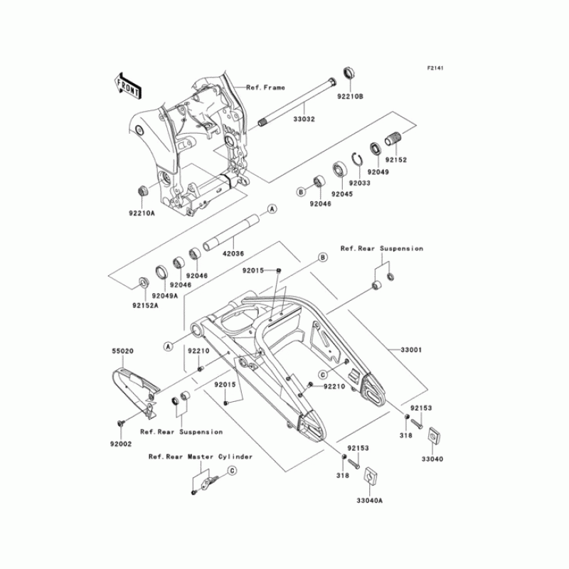
Схема узла: Задний рычаг (Маятник) для Kawasaki ZX1000 Ninja ZX-10R

Производители Kawasaki
Код Товара: ZX1000-C1
3132грн.
Под заказ
Детализация узла Задний рычаг (Маятник) для Kawasaki ZX1000 Ninja ZX-10R.

Детали поставляются под заказ в соответствии с условиями поставки оригинальных запчастей.

Все детали оригальные, их совместимость гарантирована производителем при условии правильной идентификации модели, года выпуска и отсутсвия предварительной модификации узла владельцем мотоцикла.

Написать отзыв
Примечание: HTML разметка не поддерживается! Используйте обычный текст.

Нет отзывов об этом товаре.

Модель Наименование Сумма Кол-во Доступность
318 318BB0800 Гайка диагональная, маленькая 61грн.
Под заказ
318 318L0800 Гайка 72грн.
Под заказ
33001 33001-0039-8F Рукоятка 0грн.
Недоступно к заказу
33032 33032-0009 Вал 3132грн.
Под заказ
33040 33040-0008 ADJUSTER-CHAIN,RH 1097грн.
Под заказ
33040 33040-1109 Регулятор 494грн.
Под заказ
42036 42036-1341 SLEEVE,SWING ARM PIVO 1446грн.
Под заказ
55020 55020-0101 Успокоитель цепи 1111грн.
Под заказ
92002 92001-1950 Болт 6X16 101грн.
Под заказ
92002 92002-1187 Болт 6X16 69грн.
Под заказ
92015 92015-1791 Гайка,6MM 104грн.
Под заказ
92033 92033-1041 CIRCLIP,42MM 119грн.
Под заказ
92045 92045-0017 BEARING-BALL,6004UL11 488грн.
Под заказ
92046 92046-0008 BEARING-NEEDLE,7E-HVS 597грн.
Под заказ
92049 92049-1314 Сальник 290грн.
Под заказ
92049 92049-1352 Сальник 242грн.
Под заказ
92152 92152-1234 COLLAR 215грн.
Под заказ
92152 92152-0154 COLLAR,SWING ARM,L=12 715грн.
Под заказ
92153 92153-0736 BOLT,8X40 94грн.
Под заказ
92210 92210-0134 NUT,30MM 554грн.
Под заказ
92210 92210-0320 NUT,FLANGED,20MM 215грн.
Под заказ
92210 92210-0099 NUT,6MM 108грн.
Под заказ
92210 92210-0106 NUT,FLANGED,20MM 204грн.
Под заказ