Мы на связи пн-пт: 10:00 - 18:00

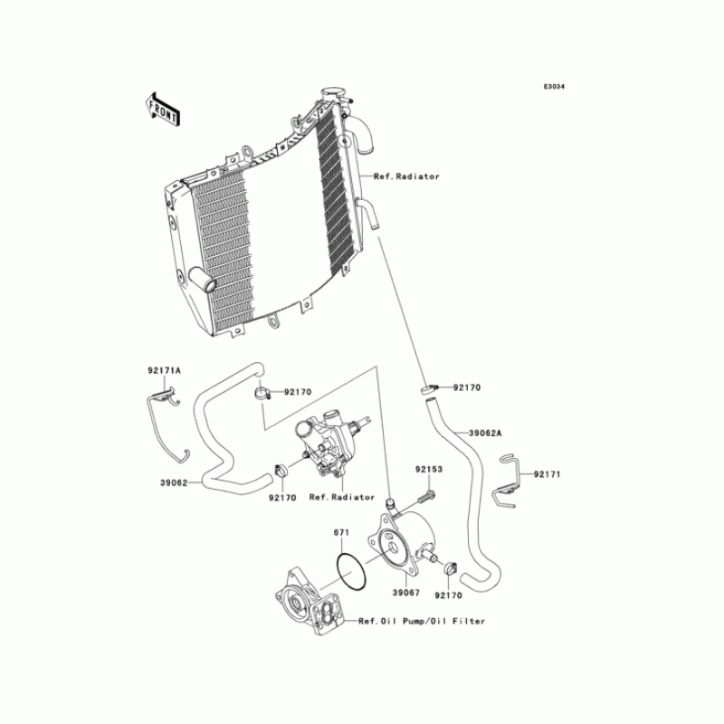
Схема узла: Масляный охладитель для Kawasaki ZX1000 Ninja ZX-10R

Производители Kawasaki
Код Товара: ZX1000-C1
22236грн.
Под заказ
Детализация узла Масляный охладитель для Kawasaki ZX1000 Ninja ZX-10R.

Детали поставляются под заказ в соответствии с условиями поставки оригинальных запчастей.

Все детали оригальные, их совместимость гарантирована производителем при условии правильной идентификации модели, года выпуска и отсутсвия предварительной модификации узла владельцем мотоцикла.

Написать отзыв
Примечание: HTML разметка не поддерживается! Используйте обычный текст.

Нет отзывов об этом товаре.

Модель Наименование Сумма Кол-во Доступность
39062 39062-0059 HOSE-COOLING 0грн.
Недоступно к заказу
39062 39062-0058 HOSE-COOLING 0грн.
Недоступно к заказу
39067 39067-0007 Сцепление 22236грн.
Под заказ
671 671B2565 Кольцо,65MM 188грн.
Под заказ
92153 92153-0564 BOLT,8X25 69грн.
Под заказ
92170 92173-1401 CLAMP 317грн.
Под заказ
92170 92170-3729 Clamp 479грн.
Под заказ
92171 92171-0272 Струбцина 715грн.
Под заказ
92171 92171-0274 Струбцина 715грн.
Под заказ