Мы на связи пн-пт: 10:00 - 18:00

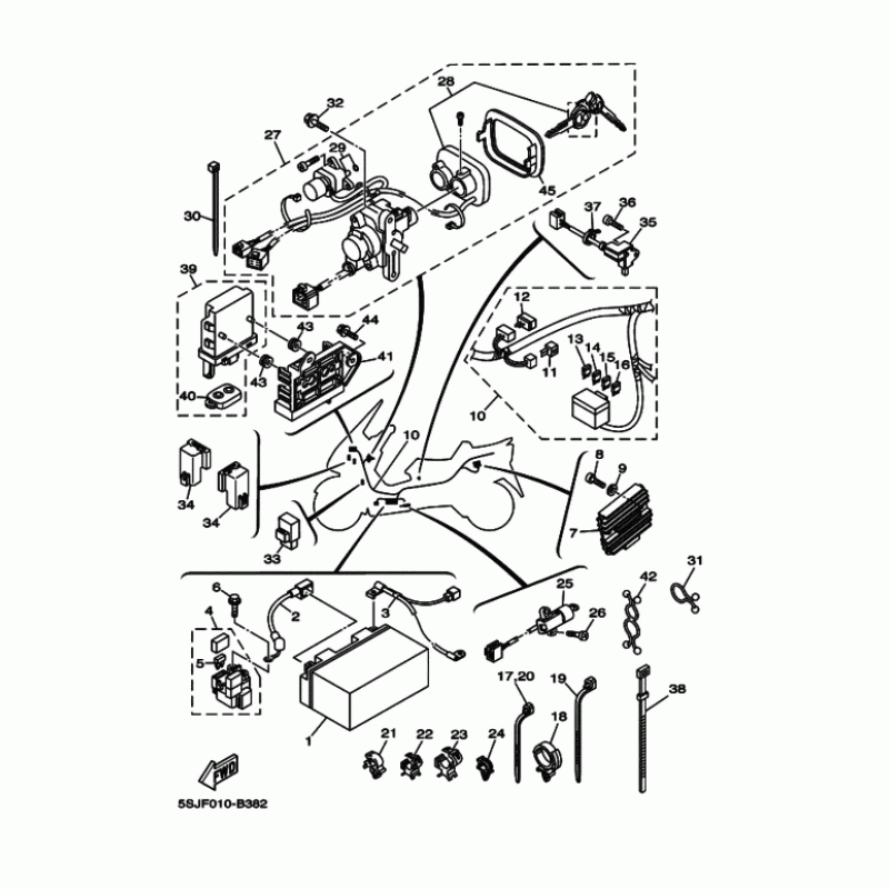
Схема узла: Электрооборудование 1 Yamaha YP250 Majesty

Производители Yamaha
Код Товара: YP250 Majesty
14819грн.
Под заказ
Детализация узла Электрооборудование 1 Yamaha YP250 Majesty.

Детали поставляются под заказ в соответствии с условиями поставки оригинальных запчастей.

Все детали оригальные, их совместимость гарантирована производителем при условии правильной идентификации модели, года выпуска и отсутсвия предварительной модификации узла владельцем мотоцикла.

Написать отзыв
Примечание: HTML разметка не поддерживается! Используйте обычный текст.

Нет отзывов об этом товаре.

Модель Наименование Сумма Кол-во Доступность
1 90793-25054-00 Аккумулятор 0грн.
Недоступно к заказу
10 5SJ-82590-50-00 Wire Harness Assy 14819грн.
Под заказ
11 3WP-81980-00-00 Диод 542грн.
Под заказ
12 4WA-81980-00-00 Диод 512грн.
Под заказ
13 5JJ-82151-40-00 Предохранитель (4A-BL) 119грн.
Под заказ
14 67F-82151-50-00 Предохранитель (15A) 88грн.
Под заказ
14 5JJ-82151-10-00 Предохранитель (15A-BL) 102грн.
Под заказ
15 5JJ-82151-00-00 Предохранитель (7.5A-BL) 119грн.
Под заказ
16 67F-82151-40-00 Предохранитель (10A) 88грн.
Под заказ
16 5JJ-82151-30-00 Предохранитель (10A-BL) 102грн.
Под заказ
17 90464-15195-00 Хомут пластмассовый 67грн.
Под заказ
17 90464-13073-00 Хомут пластмассовый 67грн.
Под заказ
18 90464-12183-00 Скоба 82грн.
Под заказ
2 5SJ-82115-00-00 Провод, плюс 744грн.
Под заказ
21 90464-11003-00 Хомут 78грн.
Под заказ
22 90464-10190-00 Хомут 78грн.
Под заказ
23 90464-15192-00 Хомут 78грн.
Под заказ
24 90464-07001-00 Скоба 81грн.
Под заказ
25 5RT-82566-50-00 Включатель 2140грн.
Под заказ
26 985-07050-14-00 Винт 72грн.
Под заказ
26 90157-05079-00 Винт 73грн.
Под заказ
27 5SJ-8252E-01-00 Main Switch Comp 7618грн.
Под заказ
27 5SJ-82022-01-00 Key Set 12487грн.
Под заказ
28 5SJ-2830V-00-00 Lock Set 2 6228грн.
Под заказ
29 5SJ-83306-00-00 Drive Unit Assy 4380грн.
Под заказ
3 5GM-82116-00-00 Wire, Minus Lead 757грн.
Под заказ
30 5Y9-12491-00-00 Хомут пластмассовый 74грн.
Под заказ
31 90464-25267-00 Скоба 77грн.
Под заказ
31 341-82594-00-00 Хомут 78грн.
Под заказ
32 95817-06020-00 Болт 61грн.
Под заказ
32 95807-06020-00 Болт 61грн.
Под заказ
33 4HC-81950-00-00 Реле 889грн.
Под заказ
34 29U-81950-93-00 Реле 1158грн.
Под заказ
35 5GM-81860-00-00 Switch Assy 1297грн.
Под заказ
36 999-99999-99-00 Not Available 0грн.
Недоступно к заказу
36 98907-03008-00 Винт 74грн.
Под заказ
38 437-83936-01-00 Хомут 74грн.
Под заказ
39 5SJ-86260-00-00 Remote Control Unit Assy 8805грн.
Под заказ
4 4DN-81940-12-00 Реле стартера 2663грн.
Под заказ
4 4DN-81940-10-00 Реле стартера 2816грн.
Под заказ
40 5SJ-86261-00-00 Xmtr. Comp 3201грн.
Под заказ
41 5SJ-82588-00-00 Пластина 236грн.
Под заказ
42 90464-14134-00 Clamp 78грн.
Под заказ
43 90480-11224-00 Уплотнительная резинка 78грн.
Под заказ
44 97017-06016-00 Болт 63грн.
Под заказ
44 90119-06108-00 Болт 63грн.
Под заказ
45 5SJ-82552-00-00 Cap, Switch 292грн.
Под заказ
5 1AE-82151-00-00 Предохранитель (30A-BL) 91грн.
Под заказ
6 95027-06008-00 Болт 72грн.
Под заказ
7 4XY-81960-00-00 Реле-регулятор 4221грн.
Под заказ
8 98517-06025-00 Винт 67грн.
Под заказ
8 98507-06025-00 Винт 67грн.
Под заказ
9 92907-06600-00 Шайба 60грн.
Под заказ