Мы на связи пн-пт: 10:00 - 18:00

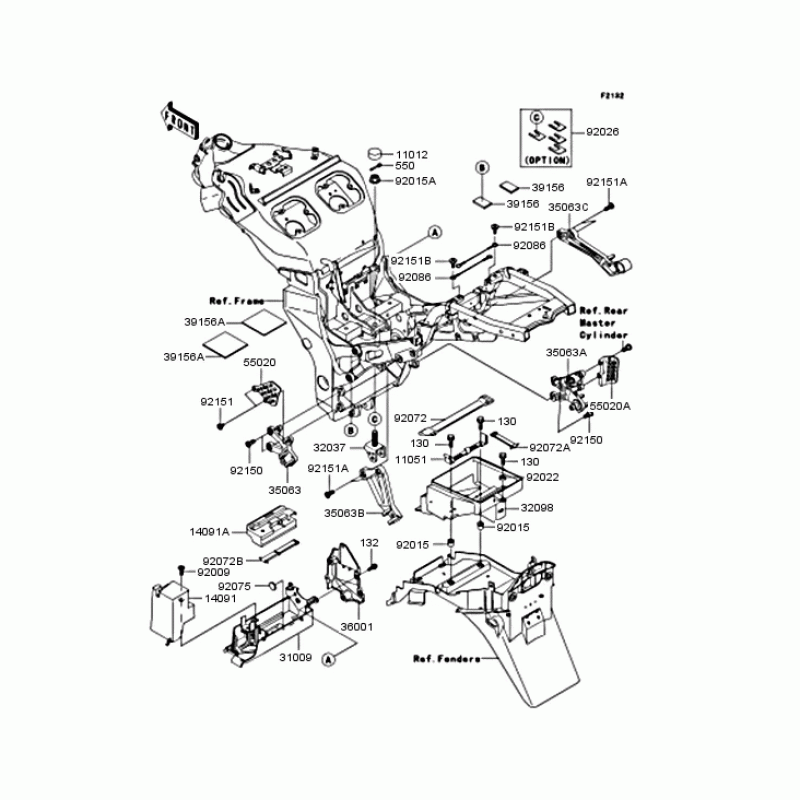
Схема узла: Батарейный отсек для Kawasaki ZX1200 Ninja ZX-12R

Производители Kawasaki
Код Товара: ZX1200-A1H
4778грн.
Под заказ
Детализация узла Батарейный отсек для Kawasaki ZX1200 Ninja ZX-12R.

Детали поставляются под заказ в соответствии с условиями поставки оригинальных запчастей.

Все детали оригальные, их совместимость гарантирована производителем при условии правильной идентификации модели, года выпуска и отсутсвия предварительной модификации узла владельцем мотоцикла.

Написать отзыв
Примечание: HTML разметка не поддерживается! Используйте обычный текст.

Нет отзывов об этом товаре.

Модель Наименование Сумма Кол-во Доступность
11012 11012-1592 CAP,REAR AXLE NUT 199грн.
Под заказ
11051 11051-1377 Кронштейн 595грн.
Под заказ
130 130J0625 Болт ,6X25 79грн.
Под заказ
130 130BB0625 BOLT-FLANGED,6X25 69грн.
Под заказ
132 132J0616 Болт 0грн.
Недоступно к заказу
132 132BB0616 BOLT-FLANGED-SMALL,6X 65грн.
Под заказ
14091 14091-1238 Крышка предохранителя 1590грн.
Под заказ
14091 14091-1288 Крышка аккумулятора 1492грн.
Под заказ
31009 31009-1056 Корпус (аккумулятор) 4714грн.
Под заказ
32037 32037-0013 Скобадержатель 1158грн.
Под заказ
32037 32037-1800 Скобадержатель 1180грн.
Под заказ
32098 32098-1131 Корпус (уплотнение) 3103грн.
Под заказ
35063 35063-1236 Подставка, передняя, правая 4778грн.
Под заказ
35063 35063-1064 Подставка, задняя, левая 4778грн.
Под заказ
35063 35063-1065 Подставка, задняя, правая 4778грн.
Под заказ
35063 35063-1063 Подставка, передняя, правая 4778грн.
Под заказ
35063 35063-1062 Подставка, передняя, левая 4778грн.
Под заказ
36001 36001-1643-8F COVER-SIDE,FRAME,RH,F 2856грн.
Под заказ
36001 36001-1670-8F COVER-SIDE,FRAME,RH,F 2916грн.
Под заказ
39156 39156-1650 Втулка 376грн.
Под заказ
39156 39156-1649 Втулка 103грн.
Под заказ
550 550AA4025 Шпонка 61грн.
Под заказ
550 550D4025 PIN,COTTER,4.0X25 61грн.
Под заказ
55020 55020-1696 Щит, передний, левый 771грн.
Под заказ
55020 55020-1697 Щит, передний, правый 771грн.
Под заказ
92009 92009-1909 Винт 5X16 65грн.
Под заказ
92015 92015-1700 Гайка 183грн.
Под заказ
92015 92015-1881 Гайка 477грн.
Под заказ
92022 92022-1344 Шайба,7X16X1.2 97грн.
Под заказ
92026 92026-1586 SPACER,SET 4751грн.
Под заказ
92072 92072-1349 Лента 382грн.
Под заказ
92072 92072-1377 Лента L=290 446грн.
Под заказ
92072 92072-1203 Лента 296грн.
Под заказ
92075 92161-1200 DAMPER,RUBBER 104грн.
Под заказ
92075 92075-261 Дэмпфер 104грн.
Под заказ
92086 92086-0552 WIRE,HELMET LOCK 371грн.
Под заказ
92086 92086-1075 WIRE,HELMET LOCK 429грн.
Под заказ
92150 92153-1621 BOLT,SOCKET,8X20 61грн.
Под заказ
92150 92150-1839 BOLT,SOCKET,8X20 135грн.
Под заказ
92151 92153-1622 BOLT,6MM 72грн.
Под заказ
92151 92153-1618 BOLT,SOCKET,6X21 135грн.
Под заказ
92151 92151-1334 BOLT,6MM 83грн.
Под заказ
92151 92151-1372 Болт ,10X30 135грн.
Под заказ
92151 92151-1880 Болт ,6X21 199грн.
Под заказ