Мы на связи пн-пт: 10:00 - 18:00

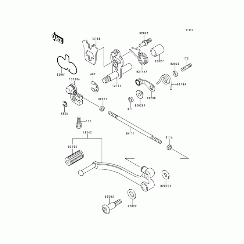
Схема узла: Переключатель передач для Kawasaki KLE500

Производители Kawasaki
Код Товара: KLE500-A10
2915грн.
Под заказ
Детализация узла Переключатель передач для Kawasaki KLE500.

Детали поставляются под заказ в соответствии с условиями поставки оригинальных запчастей.

Все детали оригальные, их совместимость гарантирована производителем при условии правильной идентификации модели, года выпуска и отсутсвия предварительной модификации узла владельцем мотоцикла.

Написать отзыв
Примечание: HTML разметка не поддерживается! Используйте обычный текст.

Нет отзывов об этом товаре.

Модель Наименование Сумма Кол-во Доступность
130 130CB0620 BOLT-FLANGED,6X20,BLC 65грн.
Под заказ
130 130S0620 BOLT-FLANGED,6X20,BLC 72грн.
Под заказ
13161 13161-1117 Рукоятка переключения 1483грн.
Под заказ
13165 13165-1034 Фиксатор рукоятки 247грн.
Под заказ
13236 13236-1154 LEVER-COMP,CHANGE LIN 1945грн.
Под заказ
13236 13236-1103 Рукоятка 490грн.
Под заказ
13242 13242-0002 Рычаг переключения, шарнир 2833грн.
Под заказ
13242 13242-1291 Lever-assy-change,ped 2915грн.
Под заказ
172 172G0614 STUD,6X14 65грн.
Под заказ
172 172BA0614 STUD,6X14 65грн.
Под заказ
311 311J0600 Гайка 61грн.
Под заказ
311 311BB0600 NUT-HEX,6MM 54грн.
Под заказ
311 311G0600 NUT-HEX 61грн.
Под заказ
311 311BA0600 Гайка 61грн.
Под заказ
39111 39111-1071 Стержень 344грн.
Под заказ
482 482L7000 Кольцо стопорное E 124грн.
Под заказ
482 482EA7000 CIRCLIP-TYPE-E 108грн.
Под заказ
482 482J0200 Кольцо стопорное E,12MM 65грн.
Под заказ
92001 92001-1455 BOLT,EXCLUSIVE MASS P 104грн.
Под заказ
92002 92002-1686 Болт педали 0грн.
Недоступно к заказу
92002 92002-1926 Болт 333грн.
Под заказ
92015 92015-1178 Гайка 101грн.
Под заказ
92022 92022-1561 Шайба,8.5X20X1.6 101грн.
Под заказ
92022 92022-072 Шайба обыкновенная,12MM 97грн.
Под заказ
92026 92026-1217 Кольцо/шайба 115грн.
Под заказ
92026 92026-094 Шайба упорная 194грн.
Под заказ
92027 92027-1440 Хомут ,13X18.3X21.5 115грн.
Под заказ
92081 92081-1785 Пружина 220грн.
Под заказ
92144 92144-1644 SPRING,CHANGE PEDAL R 220грн.
Под заказ
92144 92144-1180 Пружина 220грн.
Под заказ
92160 92160-1036 Демпфер педали 112грн.
Под заказ