Мы на связи пн-пт: 10:00 - 18:00

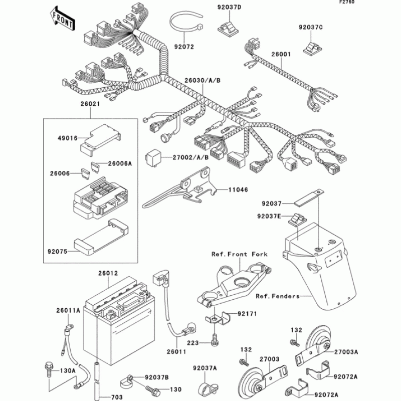
Схема узла: Электрооборудование для Kawasaki EX500 EX500

Производители Kawasaki
Код Товара: EX500-E7
10093грн.
Под заказ
Детализация узла Электрооборудование для Kawasaki EX500 EX500.

Детали поставляются под заказ в соответствии с условиями поставки оригинальных запчастей.

Все детали оригальные, их совместимость гарантирована производителем при условии правильной идентификации модели, года выпуска и отсутсвия предварительной модификации узла владельцем мотоцикла.

Написать отзыв
Примечание: HTML разметка не поддерживается! Используйте обычный текст.

Нет отзывов об этом товаре.

Модель Наименование Сумма Кол-во Доступность
11046 11046-1233 BRACKET,HORN&CABLE 576грн.
Под заказ
130 130BA0610 BOLT-FLANGED,6X10 58грн.
Под заказ
132 132BB0612 BOLT-FLANGED-SMALL,6X 61грн.
Под заказ
132 92002-1569 Болт 101грн.
Под заказ
223 223AB0610 SCREW-PAN-WS-CROS 65грн.
Под заказ
26001 26001-1859 Жгут проводов 882грн.
Под заказ
26006 26006-1007 FUSE,BLADE,10A,RED 115грн.
Под заказ
26006 26006-1006 Ограничитель,30A-G 115грн.
Под заказ
26011 26011-1388 Проводка аккумулятора(+) 815грн.
Под заказ
26011 26011-1389 Проводка аккумулятора(-) 815грн.
Под заказ
26012 XFFB14LA2 Аккумулятор 10093грн.
Под заказ
26012 26012-0600 Аккумулятор 0грн.
Недоступно к заказу
26021 26021-1090 Соединительная коробка 5422грн.
Под заказ
26021 26021-0059 JUNCTION BOX 5422грн.
Под заказ
26030 26030-1734 Проводка главная 0грн.
Недоступно к заказу
27002 27002-1101 Реле 1773грн.
Под заказ
27003 27003-1267 Horn 1915грн.
Под заказ
27003 27003-1263 Horn 1899грн.
Под заказ
49016 49016-1177 Крышка предохранителя, уплотнительная 360грн.
Под заказ
703 703A08750 TUBE-RUBBER,8X750 462грн.
Под заказ
92037 92171-0652 Струбцина 69грн.
Под заказ
92037 92037-1794 CLAMP,TUBE 178грн.
Под заказ
92037 92037-1793 CLAMP 161грн.
Под заказ
92037 92037-1816 CLAMP 172грн.
Под заказ
92037 92037-1163 Струбцина 135грн.
Под заказ
92037 92037-1727 Струбцина шланга 199грн.
Под заказ
92072 92072-1221 Band 253грн.
Под заказ
92072 92072-1195 Лента L=185 129грн.
Под заказ
92075 92075-1688 DAMPER,JUNCTION BOX 306грн.
Под заказ
92171 92171-1199 Струбцина проводки 112грн.
Под заказ