Мы на связи пн-пт: 10:00 - 18:00

Рулевая траверса для Honda VF750 Magna

Производители Honda
Код Товара: VF750 Magna
12466грн.
Под заказ
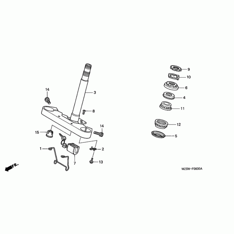
Детализация узла Рулевая траверса для Honda VF750 Magna.

Детали поставляются под заказ в соответствии с условиями поставки оригинальных запчастей.

Все детали оригальные, их совместимость гарантирована производителем при условии правильной идентификации модели, года выпуска и отсутсвия предварительной модификации узла владельцем мотоцикла.

Написать отзыв
Примечание: HTML разметка не поддерживается! Используйте обычный текст.

Нет отзывов об этом товаре.

Модель Наименование Сумма Кол-во Доступность
1 45131-MZ5-000 Clamp a, brake hose 240грн.
Под заказ
10 90506-425-830 Шайба, стопорная 142грн.
Под заказ
11 91015-KT8-005 Подшипник ступичный 995грн.
Под заказ
12 91016-KT8-005 Подшипник вала вулевого механизма 995грн.
Под заказ
13 96001-060-120-0 Болт 52грн.
Под заказ
14 96700-1002510 Болт, socket (10x25) 58грн.
Под заказ
15 53205-MT3-000 Cap, steering stem 0грн.
Недоступно к заказу
2 53105-MZ5-000 Clamp 142грн.
Под заказ
3 53200-MZ5-610 Stem comp,strg 12466грн.
Под заказ
4 53213-MB4-771 Пыльник 281грн.
Под заказ
5 53214-371-010 Пыльник подшипника рулевой колонки 326грн.
Под заказ
6 53220-422-000 Thread 592грн.
Под заказ
9 90302-425-830 Гайка 515грн.
Под заказ