Мы на связи пн-пт: 10:00 - 18:00

Карбюратор боковая накладка для Honda VF750 Magna

Производители Honda
Код Товара: VF750 Magna
2010грн.
Под заказ
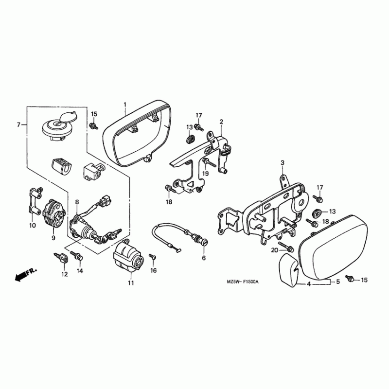
Детализация узла Карбюратор боковая накладка для Honda VF750 Magna.

Детали поставляются под заказ в соответствии с условиями поставки оригинальных запчастей.

Все детали оригальные, их совместимость гарантирована производителем при условии правильной идентификации модели, года выпуска и отсутсвия предварительной модификации узла владельцем мотоцикла.

Написать отзыв
Примечание: HTML разметка не поддерживается! Используйте обычный текст.

Нет отзывов об этом товаре.

Модель Наименование Сумма Кол-во Доступность
1 17255-MZ5-000 Cvr, carburetor side 0грн.
Недоступно к заказу
10 35103-MR1-000 Collar 413грн.
Под заказ
11 35110-MZ5-000 Cover 398грн.
Под заказ
12 35121-MR1-770 Заготовка ключа (type1) 309грн.
Под заказ
12 35122-MR1-770 Заготовка ключа (type2) 309грн.
Под заказ
13 83551-GE2-000 Изоляционная втулка, корпус воздухоочистителя 120грн.
Под заказ
14 90107-MR1-000 Болт, break off 172грн.
Под заказ
15 90113-KW3-000 Болт 0грн.
Недоступно к заказу
16 90114-GB6-920 Screw, rr. cover 83грн.
Под заказ
17 95701-060-100-0 Болт 50грн.
Под заказ
18 95701-060-160-0 Болт 50грн.
Под заказ
19 95701-060-300-0 Болт 52грн.
Под заказ
2 17256-MZ5-000 Base, r 0грн.
Недоступно к заказу
20 95701-0603500 Болт, flange, 6x35 52грн.
Под заказ
3 17266-MZ5-000 Base, l 0грн.
Недоступно к заказу
4 17267-MZ5-300 Protector 292грн.
Под заказ
5 17268-MZ5-000 Cover set, l. 2010грн.
Под заказ
6 17950-MZ5-A00 Cable, choke 900грн.
Под заказ
7 35010-MZ5-G00 Key set 0грн.
Недоступно к заказу
8 35100-MZ5-A01 Switch, combination 1991грн.
Под заказ
9 35102-MR1-000 Основание 255грн.
Под заказ