Мы на связи пн-пт: 10:00 - 18:00

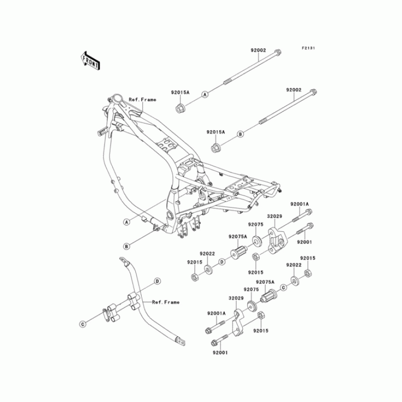
Схема узла: Крепление двигателя для Kawasaki ZX1100 GPZ1100

Производители Kawasaki
Код Товара: ZX1100-E4
1507грн.
Под заказ
Детализация узла Крепление двигателя для Kawasaki ZX1100 GPZ1100.

Детали поставляются под заказ в соответствии с условиями поставки оригинальных запчастей.

Все детали оригальные, их совместимость гарантирована производителем при условии правильной идентификации модели, года выпуска и отсутсвия предварительной модификации узла владельцем мотоцикла.

Написать отзыв
Примечание: HTML разметка не поддерживается! Используйте обычный текст.

Нет отзывов об этом товаре.

Модель Наименование Сумма Кол-во Доступность
32029 32029-1615 Скобадержатель 1507грн.
Под заказ
92001 92001-1617 Болт,10X60 220грн.
Под заказ
92001 92001-1619 Болт,10X85 178грн.
Под заказ
92002 92151-1594 BOLT,FLANGED,10X205 312грн.
Под заказ
92002 92002-1321 BOLT,FLANGED,10X205 0грн.
Недоступно к заказу
92015 92015-1429 Гайка,10MM 140грн.
Под заказ
92015 92015-1522 Гайка 145грн.
Под заказ
92022 92022-1246 Шайба,10.5X37X1.6 156грн.
Под заказ
92075 92075-1377 DAMPER,ENGINE BRACKET 563грн.
Под заказ
92075 92075-1274 Дэмпфер 376грн.
Под заказ