Мы на связи пн-пт: 10:00 - 18:00

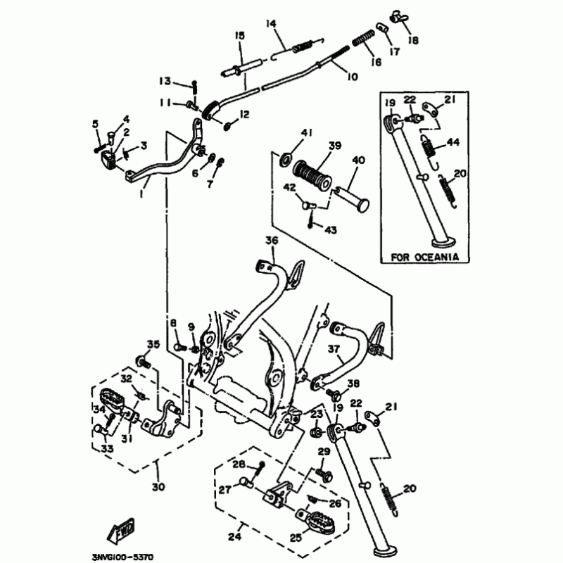
Схема узла: Подножки и Подставка Yamaha XT350 XT350

Производители Yamaha
Код Товара: XT350 XT350
2399грн.
Под заказ
Детализация узла Подножки и Подставка Yamaha XT350 XT350.

Детали поставляются под заказ в соответствии с условиями поставки оригинальных запчастей.

Все детали оригальные, их совместимость гарантирована производителем при условии правильной идентификации модели, года выпуска и отсутсвия предварительной модификации узла владельцем мотоцикла.

Написать отзыв
Примечание: HTML разметка не поддерживается! Используйте обычный текст.

Нет отзывов об этом товаре.

Модель Наименование Сумма Кол-во Доступность
1 55V-27211-00-00 Педаль тормоза 0грн.
Недоступно к заказу
10 30X-27231-00-00 Rod, Brake 0грн.
Недоступно к заказу
11 90240-06103-00 Штифт, вилкообразный наконечник 121грн.
Под заказ
11 90240-06040-00 Штифт, вилкообразный наконечник 82грн.
Под заказ
12 92907-06200-00 Шайба 60грн.
Под заказ
14 90506-18289-00 Пружина 744грн.
В наличии
15 1M1-27244-00-00 Крышка 174грн.
Под заказ
16 905-01102-45-00 Пружина 77грн.
Под заказ
17 902-49120-08-00 Палец 74грн.
Под заказ
18 90179-06411-00 Гайка 72грн.
Под заказ
18 90175-06013-00 Гайка (барашек) 81грн.
Под заказ
19 55V-27311-02-00 Подставка 1854грн.
Под заказ
19 55V-27311-01-00 Подставка 1882грн.
Под заказ
2 55V-27242-00-00 Педаль тормоза 539грн.
Под заказ
20 4KN-27116-00-00 Spring, Main Stand 410грн.
Под заказ
20 90506-26225-00 Пружина 210грн.
Под заказ
20 90506-29276-00 Пружина натяжения 410грн.
Под заказ
21 42U-27315-01-00 Соединение, боковое 172грн.
Под заказ
22 90109-10635-00 Bolt 150грн.
Под заказ
23 90185-10037-00 Гайка самоконтрящаяся 82грн.
Под заказ
24 30X-27410-00-90 Front Footrest Assembly (Left) 0грн.
Недоступно к заказу
25 22W-27411-01-90 Footrest 1 1106грн.
Под заказ
26 90508-20023-00 Пружина 78грн.
Под заказ
27 91701-08038-00 Палец 74грн.
Под заказ
28 91490-25020-00 Шплинт 72грн.
Под заказ
28 91401-25020-00 Шплинт 73грн.
Под заказ
29 958-17080-20-00 Болт 59грн.
Под заказ
3 90508-14352-00 Пружина 78грн.
Под заказ
30 55V-27420-00-90 Front Footrest Assembly (Right) 0грн.
Недоступно к заказу
31 22W-27421-01-90 Footrest 2 (3R1-27421-00) 1106грн.
Под заказ
36 55V-27442-00-33 Bracket 2 0грн.
Недоступно к заказу
36 55V-27442-10-00 Bracket 2 0грн.
Недоступно к заказу
37 26F-27432-10-00 Bracket 1 2364грн.
Под заказ
37 26F-27432-00-33 Bracket 1 2399грн.
Под заказ
38 92017-08016-00 Болт 74грн.
Под заказ
39 120-27433-00-00 Кожух подножки 261грн.
Под заказ
4 91701-06022-00 Палец 74грн.
Под заказ
40 2GV-27431-00-00 Подножка задняя 715грн.
Под заказ
40 120-27431-00-00 Подножка 726грн.
Под заказ
41 902-01202-79-00 Шайба 66грн.
Под заказ
42 91701-06032-00 Палец 74грн.
Под заказ
42 90240-06009-00 Штифт, вилкообразный наконечник 74грн.
Под заказ
43 91490-16020-00 Шплинт 94грн.
Под заказ
43 91401-16020-00 Шплинт 95грн.
Под заказ
44 90506-18224-00 Пружина 164грн.
Под заказ
5 914-90200-25-00 Шплинт 74грн.
Под заказ
5 91401-20020-00 Шплинт 74грн.
Под заказ
6 90201-12541-00 Шайба 108грн.
Под заказ
7 93430-09038-00 Стопор 98грн.
Под заказ
8 970-17060-25-00 Болт 72грн.
Под заказ
8 90101-06288-00 Болт 73грн.
Под заказ
9 95317-06700-00 Гайка 63грн.
Под заказ
9 95307-06700-00 Гайка 64грн.
Под заказ