Мы на связи пн-пт: 10:00 - 18:00

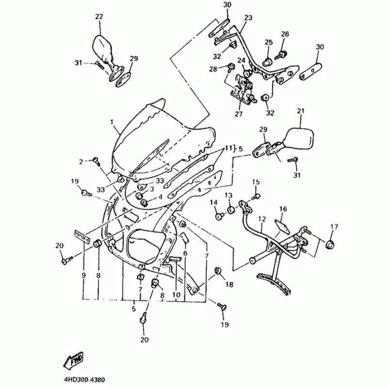
Схема узла: Облицовочные элементы 1 Yamaha YZF750 YZF750

Производители Yamaha
Код Товара: YZF750 YZF750
6668грн.
Под заказ
Детализация узла Облицовочные элементы 1 Yamaha YZF750 YZF750.

Детали поставляются под заказ в соответствии с условиями поставки оригинальных запчастей.

Все детали оригальные, их совместимость гарантирована производителем при условии правильной идентификации модели, года выпуска и отсутсвия предварительной модификации узла владельцем мотоцикла.

Написать отзыв
Примечание: HTML разметка не поддерживается! Используйте обычный текст.

Нет отзывов об этом товаре.

Модель Наименование Сумма Кол-во Доступность
1 4FM-28381-10-00 Ветровое стекло 0грн.
Недоступно к заказу
1 4FM-28381-02-00 Ветровое стекло 0грн.
Недоступно к заказу
1 4FM-28381-00-00 Ветровое стекло 0грн.
Недоступно к заказу
10 3MA-21649-00-00 Амортизатор 0грн.
Недоступно к заказу
11 4FM-2834V-00-00 Protector 1 0грн.
Недоступно к заказу
12 999-99999-99-00 Not Available 0грн.
Недоступно к заказу
12 4FM-28356-00-00 Stay 1 6668грн.
Под заказ
13 90480-13163-00 Втулка 78грн.
Под заказ
14 90560-06201-00 Втулка 82грн.
Под заказ
15 97707-50016-00 Винт 69грн.
Под заказ
15 97706-50016-00 Винт 70грн.
Под заказ
15 90167-05077-00 Винт 78грн.
Под заказ
16 51L-28371-00-00 Амортизатор 127грн.
Под заказ
17 901-85081-69-00 Гайка самоконтрящаяся 87грн.
Под заказ
17 95601-08200-00 Гайка 88грн.
Под заказ
19 90150-05039-00 Винт 91грн.
Под заказ
2 90149-05273-00 Винт 105грн.
Под заказ
20 90150-06036-00 Винт 78грн.
Под заказ
21 4FM-26280-00-00 Rear View Mirror Assembly (Left 2181грн.
Под заказ
21 4FM-26280-10-00 Rear View Mirror Assy (Left) 1977грн.
Под заказ
22 4FM-26290-00-00 Rear View Mirror Assembly (Righ 1990грн.
Под заказ
22 4FM-26290-10-00 Rear View Mirror Assy (Right) 1977грн.
Под заказ
23 4FM-2831W-00-00 Stay, Mirror 1 6023грн.
Под заказ
25 90387-067N5-00 Втулка 148грн.
Под заказ
26 95026-06016-00 Болт 88грн.
Под заказ
26 90105-06696-00 Болт 88грн.
Под заказ
27 4FM-2832W-00-00 Stay, Mirror 2 0грн.
Недоступно к заказу
28 950-27060-12-00 Болт 69грн.
Под заказ
28 95026-06012-00 Болт 70грн.
Под заказ
29 4FM-26299-00-00 Plate, Mirror Fitting 2 256грн.
Под заказ
3 4FM-28215-00-00 Шайба специальная 102грн.
Под заказ
30 3XV-26298-00-00 Plate, Mirror Fitting 1 112грн.
Под заказ
31 98707-06025-00 Винт 72грн.
Под заказ
31 98706-06025-00 Винт 73грн.
Под заказ
32 90176-06055-00 Гайка 74грн.
Под заказ
33 4FM-2834W-00-00 Protector 2 108грн.
Под заказ
4 95707-05500-00 Гайка 60грн.
Под заказ
4 95706-05500-00 Гайка 61грн.
Под заказ
5 4FM-Y2835-30-P0 Cowling Assy 0грн.
Недоступно к заказу
5 4FM-Y2835-40-P1 Cowling Ass'y 0грн.
Недоступно к заказу
6 89X-77167-00-00 Trim 3 91грн.
Под заказ
7 901-83051-A0-00 Гайка 74грн.
Под заказ
7 90183-05024-00 Гайка-скоба 74грн.
Под заказ
8 90480-13398-00 Втулка 88грн.
Под заказ
8 90480-13014-00 Втулка демпфирующая 88грн.
Под заказ
9 99246-00100-00 Наклейка (YAMAHA 333грн.
Под заказ
9 99247-00100-00 Наклейка (YAMAHA 328грн.
Под заказ
9 99236-00100-00 Эмблема 338грн.
Под заказ
9 99237-00100-00 Эмблема 333грн.
Под заказ