Мы на связи пн-пт: 10:00 - 18:00

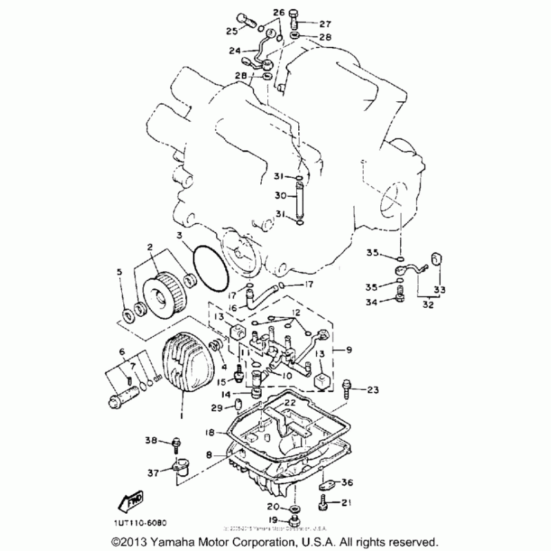
Схема узла: Oil filter Yamaha XVZ1300 Venture Royale

Производители Yamaha
Код Товара: XVZ1300 Venture Royale
6064грн.
Под заказ
Детализация узла Oil filter Yamaha XVZ1300 Venture Royale.

Детали поставляются под заказ в соответствии с условиями поставки оригинальных запчастей.

Все детали оригальные, их совместимость гарантирована производителем при условии правильной идентификации модели, года выпуска и отсутсвия предварительной модификации узла владельцем мотоцикла.

Написать отзыв
Примечание: HTML разметка не поддерживается! Используйте обычный текст.

Нет отзывов об этом товаре.

Модель Наименование Сумма Кол-во Доступность
1 26H-13447-01-00 Cover, Oil Element (26H-13447-0 0грн.
Недоступно к заказу
10 93210-13361-00 Кольцо уплотнительное 66грн.
Под заказ
11 93210-14637-00 Прокладка 118грн.
Под заказ
12 932-10066-67-00 Кольцо (26H) 80грн.
Под заказ
13 26H-15365-00-00 Grommet 233грн.
Под заказ
14 26H-15366-01-00 Grommet 198грн.
Под заказ
15 958-17060-12-00 Болт 60грн.
Под заказ
15 95811-06012-00 Болт 60грн.
Под заказ
15 95812-06012-00 Болт 60грн.
Под заказ
16 26H-13161-00-00 Труба,, аккумулятор 1 399грн.
Под заказ
17 93210-14579-00 Кольцо уплотнительное 66грн.
Под заказ
18 3JP-13414-01-00 Gasket, Strainer Cover 353грн.
Под заказ
18 3JP-13414-00-00 Gasket, Strainer Cover 359грн.
Под заказ
19 903-40141-32-00 Пробка слива масла 73грн.
Под заказ
19 3VD-13455-00-00 Plug, Straight Screw 73грн.
Под заказ
2 1J7-13441-10-00 ФИЛЬТР МАСЛЯНЫЙ 612грн.
Под заказ
20 214-11198-01-00 Прокладка пробки 88грн.
Под заказ
21 90110-06138-00 Болт 84грн.
Под заказ
22 26H-13337-01-00 Plate, Baffle Lower 374грн.
Под заказ
24 26H-13181-03-00 Pipe, Delivery 3 2657грн.
Под заказ
24 26H-13181-02-00 Pipe, Delivery 3 2657грн.
Под заказ
25 90401-08038-00 Болт-штуцер 115грн.
Под заказ
25 90401-08006-00 Болт-штуцер 115грн.
Под заказ
26 90201-08087-00 Шайба 109грн.
Под заказ
27 90401-10108-00 Болт 389грн.
Под заказ
28 90201-10128-00 Шайба 74грн.
Под заказ
28 90201-11723-00 Шайба 74грн.
Под заказ
29 99510-08016-00 Втулка 74грн.
Под заказ
29 91808-16023-00 Втулка центрующая 74грн.
Под заказ
3 93211-19413-00 Прокладка 177грн.
Под заказ
30 26H-13171-00-00 Трубка, подводящая 2 261грн.
Под заказ
32 26H-13416-01-00 Pipe, Oil 1 948грн.
Под заказ
32 26H-13416-00-00 Pipe, Oil 1 948грн.
Под заказ
33 26H-13476-00-00 Прокладка 91грн.
Под заказ
34 90401-08093-00 Болт 81грн.
Под заказ
36 90465-06376-00 Скоба 90грн.
Под заказ
36 90465-08193-00 Clamp 91грн.
Под заказ
37 1FK-13151-00-00 Stay 1202грн.
Под заказ
4 90501-18433-00 Пружина компрессии 128грн.
Под заказ
5 902-01216-08-00 Шайба 84грн.
Под заказ
6 2H7-13340-00-00 By-Pass Valve Assembly 1954грн.
Под заказ
7 93210-16314-00 Кольцо уплотнительное 78грн.
Под заказ
8 26H-13417-01-00 Cover, Strainer 6064грн.
Под заказ
9 26H-Y1319-10-00 Delivery Pipe Assy 3503грн.
Под заказ
9 26H-Y1319-01-00 Delivery Pipe Assy 3555грн.
Под заказ