Мы на связи пн-пт: 10:00 - 18:00

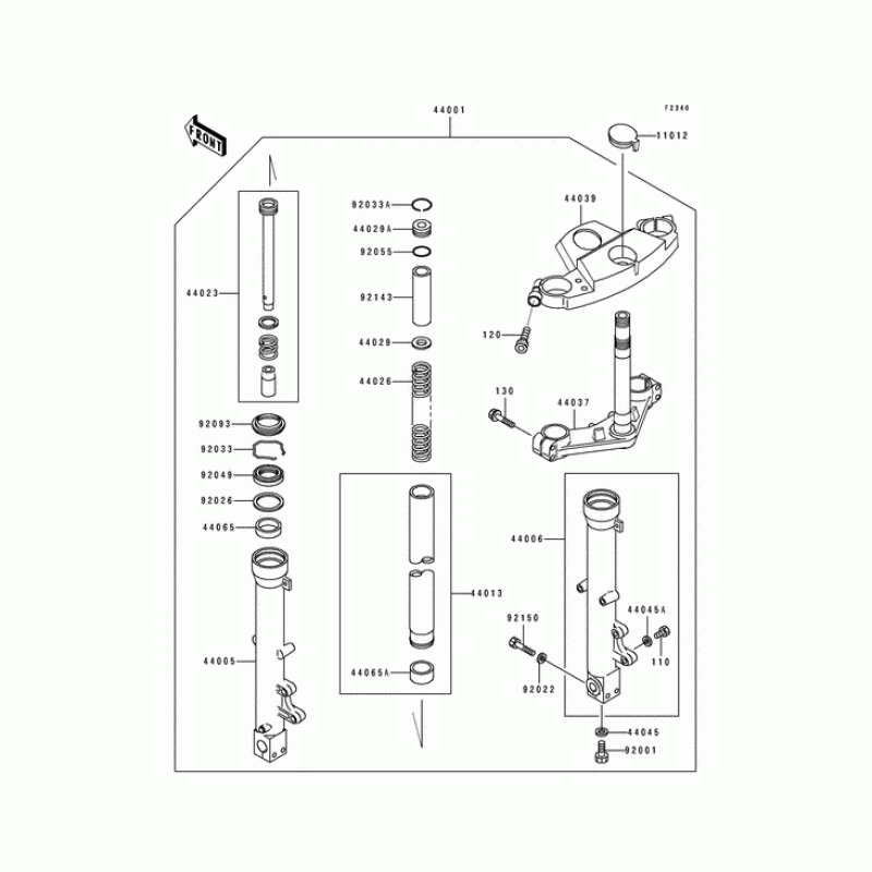
Схема узла: Вилка передней оси для Kawasaki ZX600 Ninja ZX-6

Производители Kawasaki
Код Товара: ZX600-D3
597грн.
Под заказ
Детализация узла Вилка передней оси для Kawasaki ZX600 Ninja ZX-6.

Детали поставляются под заказ в соответствии с условиями поставки оригинальных запчастей.

Все детали оригальные, их совместимость гарантирована производителем при условии правильной идентификации модели, года выпуска и отсутсвия предварительной модификации узла владельцем мотоцикла.

Написать отзыв
Примечание: HTML разметка не поддерживается! Используйте обычный текст.

Нет отзывов об этом товаре.

Модель Наименование Сумма Кол-во Доступность
110 110B0608 BOLT HEX HEAD 6X8 0грн.
Недоступно к заказу
110 112AA0608 Болт 61грн.
Под заказ
11012 11012-1733-GD CAP,FORK,G.GRAY 0грн.
Недоступно к заказу
120 120CA0840 BOLT-SOCKET,8X40 69грн.
Под заказ
120 120P0840 BOLT-SOCKET,8X40 79грн.
Под заказ
130 130BB0840 BOLT-FLANGED,8X40 69грн.
Под заказ
130 130J0840 Болт ,8X40 79грн.
Под заказ
44001 44001-1757-10 FORK-FRONT,BLACK 0грн.
Недоступно к заказу
44005 44005-1303-10 PIPE-LEFT FORK OUTER, 0грн.
Недоступно к заказу
44006 44006-1299-10 Трубка правой вилки, внешняя 0грн.
Недоступно к заказу
44013 44013-1323 Труба 0грн.
Недоступно к заказу
44023 44023-1072 Цилиндр 0грн.
Недоступно к заказу
44026 44026-1468 Пружина 0грн.
Недоступно к заказу
44029 44029-1143 Уплотнение пружины вилки 0грн.
Недоступно к заказу
44029 44029-1131 Уплотнение пружины вилки 274грн.
Под заказ
44037 44037-1264 Держатель вилки нижний 0грн.
Недоступно к заказу
44039 44039-1197-GD HOLDER-FORK UPPER,G.G 0грн.
Недоступно к заказу
44045 44045051 Прокладка 156грн.
Под заказ
44045 44045047 Прокладка 220грн.
Под заказ
44045 44045052 GASKET,DRAIN PLUG 0грн.
Недоступно к заказу
44065 44065-1080 BUSHING-FRONT FORK,IN 563грн.
Под заказ
44065 44065-1087 BUSHING-FRONT FORK,IN 0грн.
Недоступно к заказу
44065 44065-1079 Втулка 553грн.
Под заказ
92001 92001-1464 BOLT,FORK DRAIN 119грн.
Под заказ
92022 92022-1969 Шайба 108грн.
Под заказ
92026 92026-1276 Прокладка вилки 215грн.
Под заказ
92033 92033-1273 Кольцо 0грн.
Недоступно к заказу
92033 92033-1222 RING-SNAP,FORK OUTER 129грн.
Под заказ
92049 92049-1363 Сальник 597грн.
Под заказ
92055 92055-1420 RING-O,FORK TOP 112грн.
Под заказ
92093 92093-1268 Уплотнение 576грн.
Под заказ
92143 92143-1434 COLLAR 0грн.
Недоступно к заказу
92150 92002-1285 Болт ,8X40 0грн.
Недоступно к заказу
92150 92150-1183 BOLT,SOCKET,8X40 0грн.
Недоступно к заказу