Мы на связи пн-пт: 10:00 - 18:00

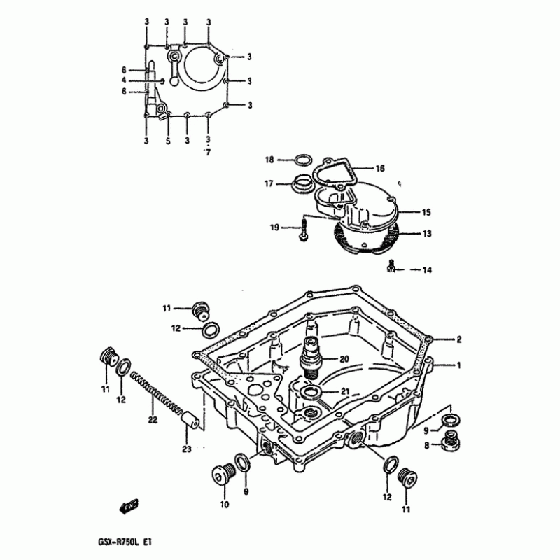
Схема узла: Поддон картера (Model l) для Suzuki GSX-R750

Производители Suzuki
Код Товара: GSX-R750L(J/K/L) L
6829грн.
Под заказ
Детализация узла Поддон картера (Model l) для Suzuki GSX-R750.

Детали поставляются под заказ в соответствии с условиями поставки оригинальных запчастей.

Все детали оригальные, их совместимость гарантирована производителем при условии правильной идентификации модели, года выпуска и отсутсвия предварительной модификации узла владельцем мотоцикла.

Написать отзыв
Примечание: HTML разметка не поддерживается! Используйте обычный текст.

Нет отзывов об этом товаре.

Модель Наименование Сумма Кол-во Доступность
1 11511-17D01 Поддон маслянный 0грн.
Недоступно к заказу
1 11511-17D00 Поддон маслянный 0грн.
Недоступно к заказу
10 09248-14010 PLUG 88грн.
Под заказ
10 09248-14004 Plug 0грн.
Недоступно к заказу
11 09248-16012 ШЛАНГ 98грн.
Под заказ
11 09248-16010 Plug 98грн.
Под заказ
12 09168-16002 КОЛЬЦО УПЛОТНИТЕЛЬНОЕ 71грн.
Под заказ
13 16520-09301 STRAINER,ENGINE OIL 611грн.
Под заказ
14 01570-06127 БОЛТ 56грн.
Под заказ
14 01137-06128 Болт 0грн.
Недоступно к заказу
15 16525-06B00 PROTECTOR,OIL STRAINER 3406грн.
Под заказ
16 16528-27A21 GASKET,OIL STR PROTECTOR 270грн.
Под заказ
16 16528-27A02 Gasket,protector 0грн.
Недоступно к заказу
16 16528-27A02-H17 Gasket,protector (na) 0грн.
Недоступно к заказу
17 16529-27A01 GASKET,OIL OUTLET 74грн.
Под заказ
18 09280-18009 КОЛЬЦО УПЛОТНИТЕЛЬНОЕ 320грн.
Под заказ
19 01550-06257 БОЛТ 58грн.
Под заказ
19 01517-06257 Болт 0грн.
Недоступно к заказу
2 11489-27A21 Прокладка 0грн.
Недоступно к заказу
2 11489-27A00 Прокладка масляного поддона 0грн.
Недоступно к заказу
2 11489-27A00-H17 Gasket,oil pan (na) 0грн.
Недоступно к заказу
20 16440-17C10 Клапан 1963грн.
Под заказ
20 16440-17C00 Regulator,engine oil 0грн.
Недоступно к заказу
22 09440-09027 Пружина 94грн.
Под заказ
23 16442-34301 PLUNGER,OIL CONTROLL 483грн.
Под заказ
3 07130-06257 Болт 58грн.
Под заказ
3 07110-06257 Болт 0грн.
Недоступно к заказу
4 07130-06357 Болт 61грн.
Под заказ
4 07110-06357 Болт 0грн.
Недоступно к заказу
5 07130-06407 Болт 64грн.
Под заказ
5 07110-06408 Болт 0грн.
Недоступно к заказу
6 07130-0645B Болт 64грн.
Под заказ
6 07110-06458 Болт 0грн.
Недоступно к заказу
7 09168-06024 ШАЙБА ФОРСУНКИ 74грн.
Под заказ
8 09247-14002 Винт, сливной. 94грн.
Под заказ
8 09247-14001 Заглушка масляного дренажа 78грн.
Под заказ
9 09168-14004 Прокладка 67грн.
Под заказ