Мы на связи пн-пт: 10:00 - 18:00

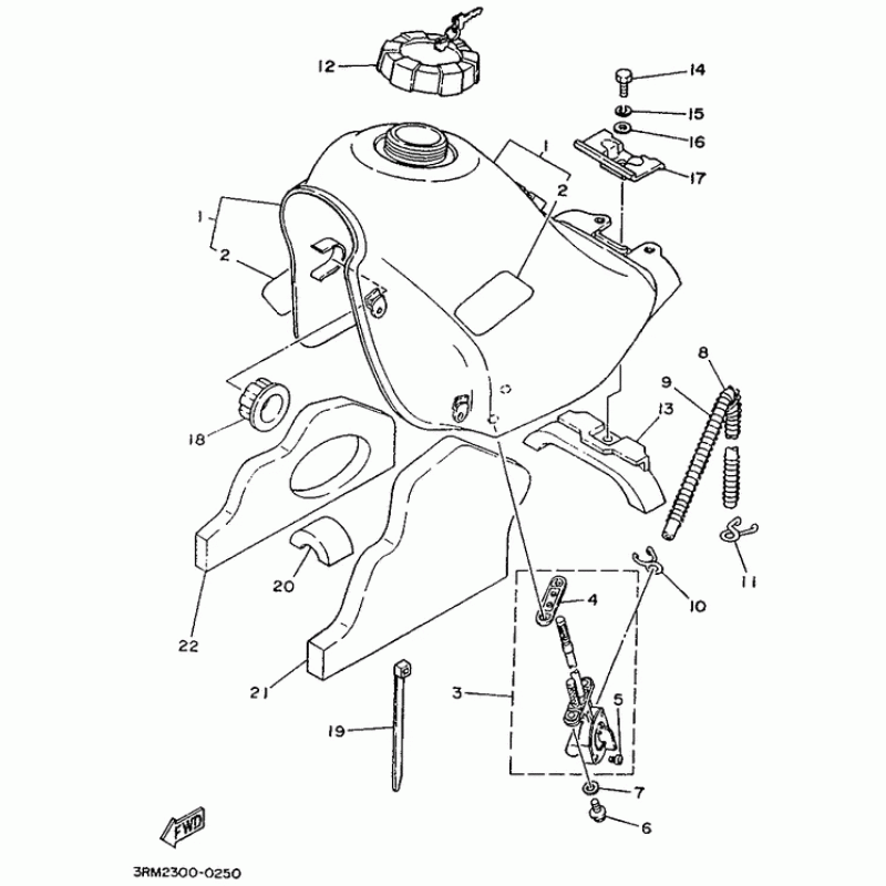
Схема узла: Топливный бак Yamaha DT125 DT125R

Производители Yamaha
Код Товара: DT125 DT125R
3324грн.
Под заказ
Детализация узла Топливный бак Yamaha DT125 DT125R.

Детали поставляются под заказ в соответствии с условиями поставки оригинальных запчастей.

Все детали оригальные, их совместимость гарантирована производителем при условии правильной идентификации модели, года выпуска и отсутсвия предварительной модификации узла владельцем мотоцикла.

Написать отзыв
Примечание: HTML разметка не поддерживается! Используйте обычный текст.

Нет отзывов об этом товаре.

Модель Наименование Сумма Кол-во Доступность
1 999-99999-99-00 Not Available 0грн.
Недоступно к заказу
1 3BN-24110-00-01 Fuel Tank Comp 0грн.
Недоступно к заказу
1 3BN-24110-00-02 Fuel Tank Comp 0грн.
Недоступно к заказу
10 90467-08003-00 Хомут 77грн.
Под заказ
11 90467-11106-00 Хомут 66грн.
Под заказ
11 90467-100A1-00 Хомут 66грн.
Под заказ
11 90467-10008-00 Хомут 66грн.
Под заказ
12 48Y-24602-00-00 Cap Assy 3324грн.
Под заказ
13 3BN-24182-00-00 Дэмпфер соединения 529грн.
Под заказ
14 97D95-06016-00 Bolt, Hexagon Deep Recess 66грн.
Под заказ
14 97095-06016-00 Болт 102грн.
Под заказ
14 97313-06016-00 Болт 102грн.
Под заказ
15 929-95061-00-00 Шайба 60грн.
Под заказ
15 92990-06100-00 Шайба гроверная 61грн.
Под заказ
16 92907-06600-00 Шайба 60грн.
Под заказ
16 929-90066-00-00 Шайба 60грн.
Под заказ
16 90201-061A5-00 Шайба 80грн.
Под заказ
16 92901-06600-00 Шайба 61грн.
Под заказ
17 34X-24186-01-00 Шайба специальная 368грн.
Под заказ
18 26H-24181-00-00 Дэмпфер соединения 159грн.
Под заказ
19 1UA-82591-00-00 Хомут 66грн.
Под заказ
19 90464-13080-00 Хомут 66грн.
Под заказ
2 3RN-24240-10-00 Graphic Set 0грн.
Недоступно к заказу
2 3RN-24240-00-00 Graphic Set 0грн.
Недоступно к заказу
20 5X2-24184-00-00 Дэмпфер соединения 322грн.
Под заказ
21 3BN-2414H-00-00 Дэмпфер платы 1 0грн.
Недоступно к заказу
22 3BN-2414J-00-00 Дэмпфер платы 2 0грн.
Недоступно к заказу
3 3BN-24500-00-00 Fuel Cock Assembly 1 2821грн.
Под заказ
4 4X8-24512-00-00 Уплотнение 81грн.
Под заказ
5 98580-03008-00 Винт 63грн.
Под заказ
5 978-01030-08-00 Винт 63грн.
Под заказ
6 90149-06011-00 Винт 67грн.
Под заказ
7 902-02051-87-00 Шайба 66грн.
Под заказ
7 90202-06010-00 Шайба 66грн.
Под заказ
8 3ET-24311-00-00 Pipe, Fuel 1 (L332) 363грн.
Под заказ
9 90501-085L6-00 Пружина 146грн.
Под заказ
9 90501-08410-00 Пружина 148грн.
Под заказ