Мы на связи пн-пт: 10:00 - 18:00

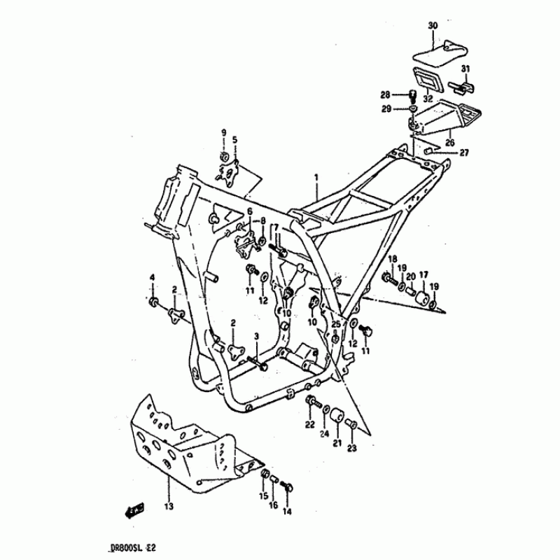
Схема узла: Рама для Suzuki DR800

Производители Suzuki
Код Товара: DR800SL(L) L
5183грн.
Под заказ
Детализация узла Рама для Suzuki DR800.

Детали поставляются под заказ в соответствии с условиями поставки оригинальных запчастей.

Все детали оригальные, их совместимость гарантирована производителем при условии правильной идентификации модели, года выпуска и отсутсвия предварительной модификации узла владельцем мотоцикла.

Написать отзыв
Примечание: HTML разметка не поддерживается! Используйте обычный текст.

Нет отзывов об этом товаре.

Модель Наименование Сумма Кол-во Доступность
1 41100-44B90-28W Frame (white) 0грн.
Недоступно к заказу
1 41100-44B80-28W Frame (white) 0грн.
Недоступно к заказу
1 41100-44B70-28W Frame (white) 0грн.
Недоступно к заказу
10 41950-44B00-28W Plate,rear (white) 0грн.
Недоступно к заказу
11 01550-0825B БОЛТ 64грн.
Под заказ
11 01550-0825A Болт 62грн.
Под заказ
11 01517-08254 Болт нижней опоры 0грн.
Недоступно к заказу
13 42511-44B10-28V Protector,engine (red) 0грн.
Недоступно к заказу
13 42511-44B10-0NF Protector,engine (blue) 0грн.
Недоступно к заказу
13 42511-44B00-30H Protector, engine (white) 0грн.
Недоступно к заказу
14 09116-06010 BOLT(6X20) 57грн.
Под заказ
15 09320-09016 РЕЗИНКА 71грн.
Под заказ
16 09180-06263 ПРОКЛАДКА 71грн.
Под заказ
16 09180-06011 Кольцо/шайба 0грн.
Недоступно к заказу
17 43911-01B10 ROLLER,CHAIN CONTROL 537грн.
Под заказ
18 09103-08083 BOLT(8X41) 78грн.
Под заказ
19 08211-08221 Шайба - опора 64грн.
Под заказ
2 41911-44B00-28W Plate,front (white) 0грн.
Недоступно к заказу
2 41911-44B00-019 Plate, front (black) 0грн.
Недоступно к заказу
20 09180-08206 Кольцо/шайба 117грн.
Под заказ
20 09180-08136 Spacer, chain roller 0грн.
Недоступно к заказу
22 09103-10197 Болт 78грн.
Под заказ
23 43916-44B00 Кольцо/шайба 614грн.
Под заказ
24 08211-10221 Шайба 67грн.
Под заказ
25 08319-3110A Гайка 84грн.
Под заказ
25 08319-31105 Гайка 0грн.
Недоступно к заказу
26 47430-44B00 Holder,tool 0грн.
Недоступно к заказу
27 09329-05006 CUSHION 61грн.
Под заказ
28 01570-0616B Болт 56грн.
Под заказ
28 01570-0616A Болт 56грн.
Под заказ
28 01137-06165 Болт 0грн.
Недоступно к заказу
29 09169-06026 Пластина замка 64грн.
Под заказ
3 09103-08189 Bolt 8x70 81грн.
Под заказ
3 09103-08099 BOLT(8X70) 0грн.
Недоступно к заказу
30 09800-21024 TOOL ASSY 2420грн.
Под заказ
30 09800-20012 Ключи 0грн.
Недоступно к заказу
31 09462-00091 Лента 129грн.
Под заказ
32 47437-44B00 Cushion 0грн.
Недоступно к заказу
4 08319-3108A Гайка 74грн.
Под заказ
4 08319-31085 Гайка 0грн.
Недоступно к заказу
5 41890-44B02-019 PLATE,ENG MTG UPR,R 0грн.
Недоступно к заказу
5 41890-44B01-28W Plate,upper rh (white) 0грн.
Недоступно к заказу
6 41990-44B02-019 PLATE,ENG MTG UPR,L 0грн.
Недоступно к заказу
6 41990-44B01-28W Plate,upper lh (white) 0грн.
Недоступно к заказу
7 09103-08267 Болт 0грн.
Недоступно к заказу
8 08321-31084 Пластина замка 0грн.
Недоступно к заказу
8 08321-0108B Пластина замка 57грн.
Под заказ
8 08321-0108A Шайба блокирующая 57грн.
Под заказ